EasyManua.ls Logo

Neumann bcm 104 - Operation with AC Power Supply; Operation with Unbalanced or Center Tap Grounded Inputs

Neumann bcm 104
9 pages
Print Icon
To Next Page IconTo Next Page
To Next Page IconTo Next Page
To Previous Page IconTo Previous Page
To Previous Page IconTo Previous Page
Loading...
7
6
Abbildung / Figure 4
Abbildung / Figure 3
condenser microphones, without switching off the DC
supply voltage.
No harm is done even if a Neumann phantom pow-
er supply is connected to the inputs of microphones
which are phantom powered from another source.
3.2 Operation with AC Power Supply
All P48 power supplies in accordance with IEC 1938
which provide at least 3.2 mA per channel are suita-
ble in principle for powering the BCM 104.
The Neumann P48 power supply unit bears the des-
ignation N 48 i-2. It is designed to power two mono
condenser microphones or one stereo microphone at
48 V ± 1 V, max. 2 x 5 mA (see also Neumann bul-
letin no. 68832: ”Phantom 48 VDC Power Supplies“).
The assignment of the microphone terminals and the
modulation polarity at the power supply output are
identical to those at the microphone.
N 48 i-2 (230N 48 i-2 (230
N 48 i-2 (230N 48 i-2 (230
N 48 i-2 (230
V)V)
V)V)
V) ........... blk .............................. Cat. No. 06500
N 48 i-2 (117N 48 i-2 (117
N 48 i-2 (117N 48 i-2 (117
N 48 i-2 (117
V)V)
V)V)
V) ........... blk .............................. Cat. No. 06502
3.3 Operation with Unbalanced or Center
Tap Grounded Inputs
The 48 V phantom powering unit N 48 i-2 has DC-
free outputs, so that no transformer is required for
connecting to an unbalanced input.
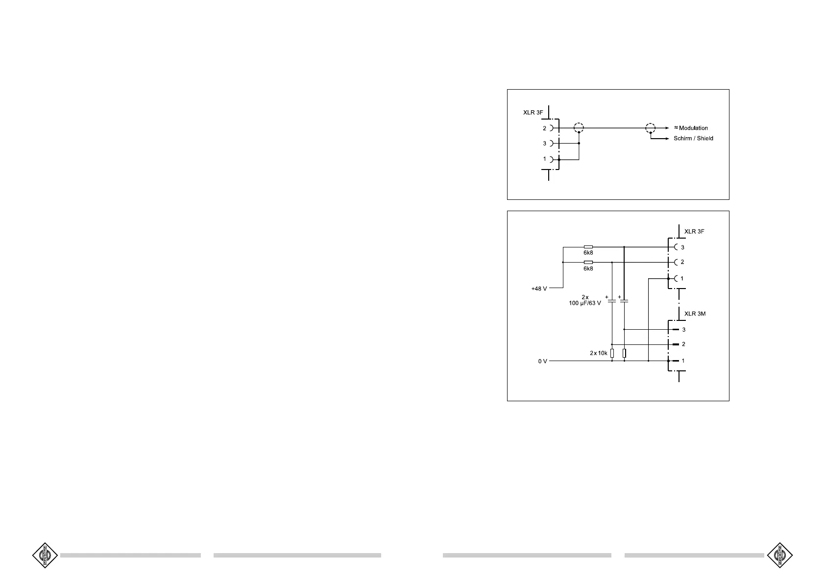
Pin 2 of the BCM 104 is the ”hot“ phase, and pin 3
must be connected to earth for unbalanced inputs (see
Fig. 3).
In the case of many phantom powering units other
than those mentioned above, not only the modula-
tion leads to the microphone but also the outgoing
modulation leads from the powering unit are at the
potential of the feed voltage (+48 V). This is unim-
portant for the balanced, floating amplifier and mixing
console inputs which are in general studio use.
However the feed voltage will be short-circuited if con-
nected to unbalanced or center tap grounded amplifi-
er inputs, making operation impossible.
This can be circumvented as follows:
a) In center tap grounded equipment with input
transformer (e.g. some NAGRA units), the earth lead
can almost always be disconnected without affecting
the function of the equipment.
dynamische Mikrophone oder Bändchenmikrophone
sowie die Modulationskabel röhrenbestückter Konden-
satormikrophone geschaltet werden, ohne dass die
Speisegleichspannung abgeschaltet werden muss.
Der Ausgang eines Neumann-Phantomspeisegerätes
darf auch auf bereits anderweitig phantomgespeiste Mi-
krophoneingänge gesteckt werden.
3.2 Betrieb mit Netzgeräten
Für die Stromversorgung des BCM 104 sind prinzipi-
ell alle P48-Netzgeräte entsprechend IEC 1938 geeig-
net, die mindestens 3,2 mA je Kanal abgeben.
Das Neumann P48-Netzgerät hat die Bezeichnung
N 48 i-2. Es ist zur Stromversorgung zweier Mono-
Kondensatormikrophone oder eines Stereomikrophons
mit 48 V ± 1 V, maximal 2 x 5 mA, geeignet (siehe
auch Neumann-Druckschrift 68832: „48 V-Phantom-
speisegeräte“).
Die Zuordnung der Mikrophonanschlüsse und die Po-
larität der Modulationsadern ist am Ausgang der Spei-
segeräte die gleiche wie am Mikrophon.
N 48 i-2 (230N 48 i-2 (230
N 48 i-2 (230N 48 i-2 (230
N 48 i-2 (230
V)V)
V)V)
V) ........... sw ............................. Best.-Nr. 06500
N 48 i-2 (117N 48 i-2 (117
N 48 i-2 (117N 48 i-2 (117
N 48 i-2 (117
V)V)
V)V)
V) ........... sw ............................. Best.-Nr. 06502
3.3 Betrieb an unsymmetrischen oder
mittengeerdeten Eingängen
Das 48 V-Phantomspeisegerät N 48 i-2 hat gleichspan-
nungsfreie Ausgänge, so dass für den Anschluss an
einen unsymmetrischen Eingang kein Übertrager er-
forderlich ist.
Beim BCM 104 ist Pin 2 die heiße Phase, und Pin 3
muss für unsymmetrische Eingänge an Masse gelegt
werden (siehe Abb. 3).
Bei vielen anderen als den o.g. Phantomspeisegerä-
ten liegen nicht nur die Modulationsleitungen zum
Mikrophon auf dem Potential der Speisespannung von
+48 V, sondern auch die vom Speisegerät abgehen-
den Modulationsleitungen. Für die in der Studiotech-
nik allgemein üblichen symmetrischen und erdfreien
Verstärker- und Mischpulteingänge ist dies ohne Be-
deutung.
Dagegen wird die Speisespannung beim Anschluss an
unsymmetrische oder mittengeerdete Verstärkerein-
gänge kurzgeschlossen, und es ist kein Betrieb mög-
lich.
Dann bestehen folgende Lösungsmöglichkeiten:
a) In mittengeerdeten Geräten mit Eingangsübertra-
ger (z.B. einige NAGRA-Geräte) kann die betreffen-
de Erdverbindung fast immer ohne Nachteile für die
Funktion des Gerätes aufgetrennt werden.
b) In jede abgehende Modulationsleitung kann zur
Abblockung der 48 V-Gleichspannung eine RC-Kom-
bination eingefügt werden (siehe Abb. 4 und Neu-
mann-Information Nr. 84 221).
b) In every outgoing modulation lead, an RC net-
work can be incorporated to block the 48 Vdc voltage
(See Fig. 4 and Neumann-Information no. 84 222).

Related product manuals