EasyManua.ls Logo

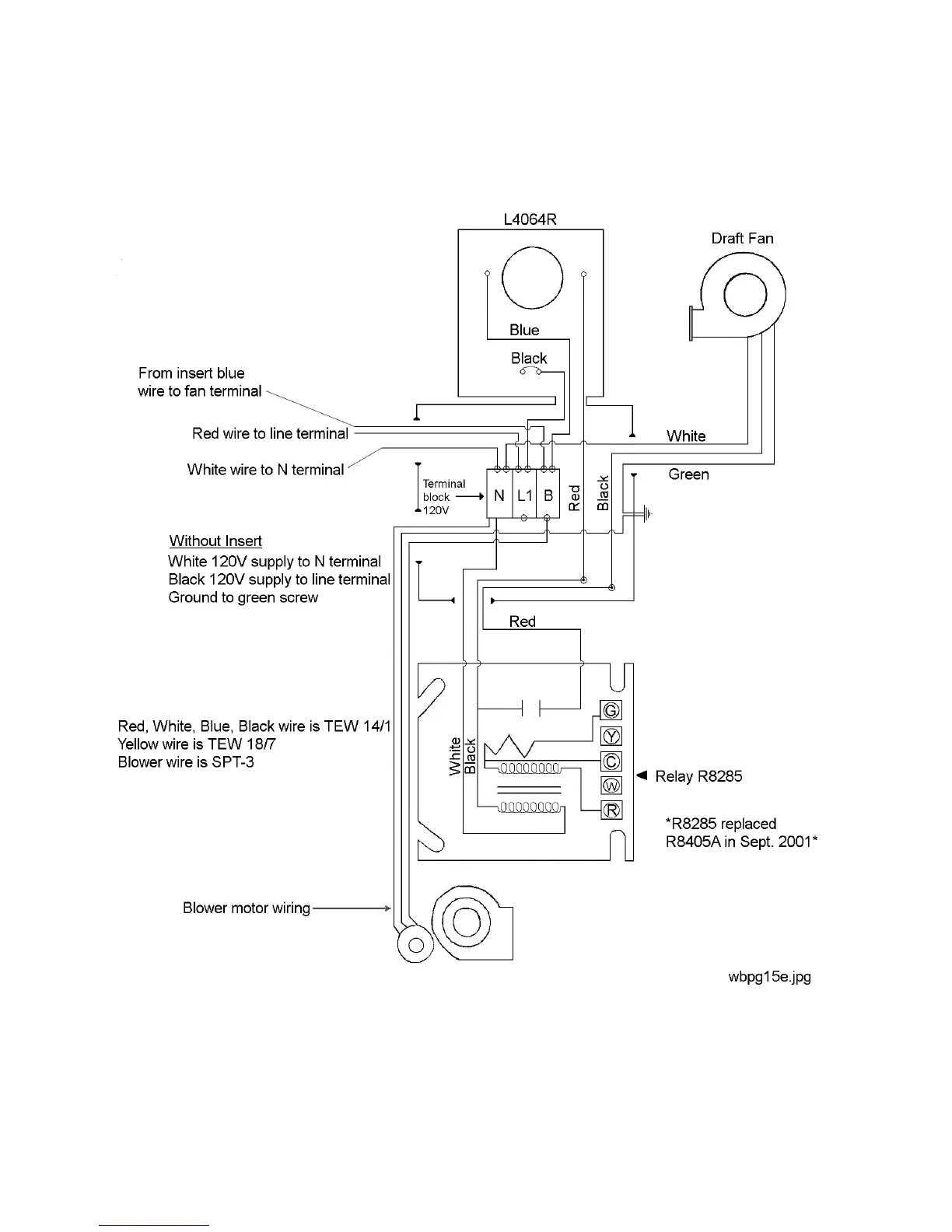
Newmac WB-100E - WG100;WG100 E Physical Wire Location

Default Icon
26 pages
Print Icon
To Next Page IconTo Next Page
To Next Page IconTo Next Page
To Previous Page IconTo Previous Page
To Previous Page IconTo Previous Page
Loading...
16
WG100/WG100E Physical Wire Location

Related product manuals