EasyManua.ls Logo

NI 6528 - Safety Information

NI 6528
27 pages
Print Icon
To Next Page IconTo Next Page
To Next Page IconTo Next Page
To Previous Page IconTo Previous Page
To Previous Page IconTo Previous Page
Loading...
© National Instruments Corporation 5 NI 6528/6529 User Guide and Specifications
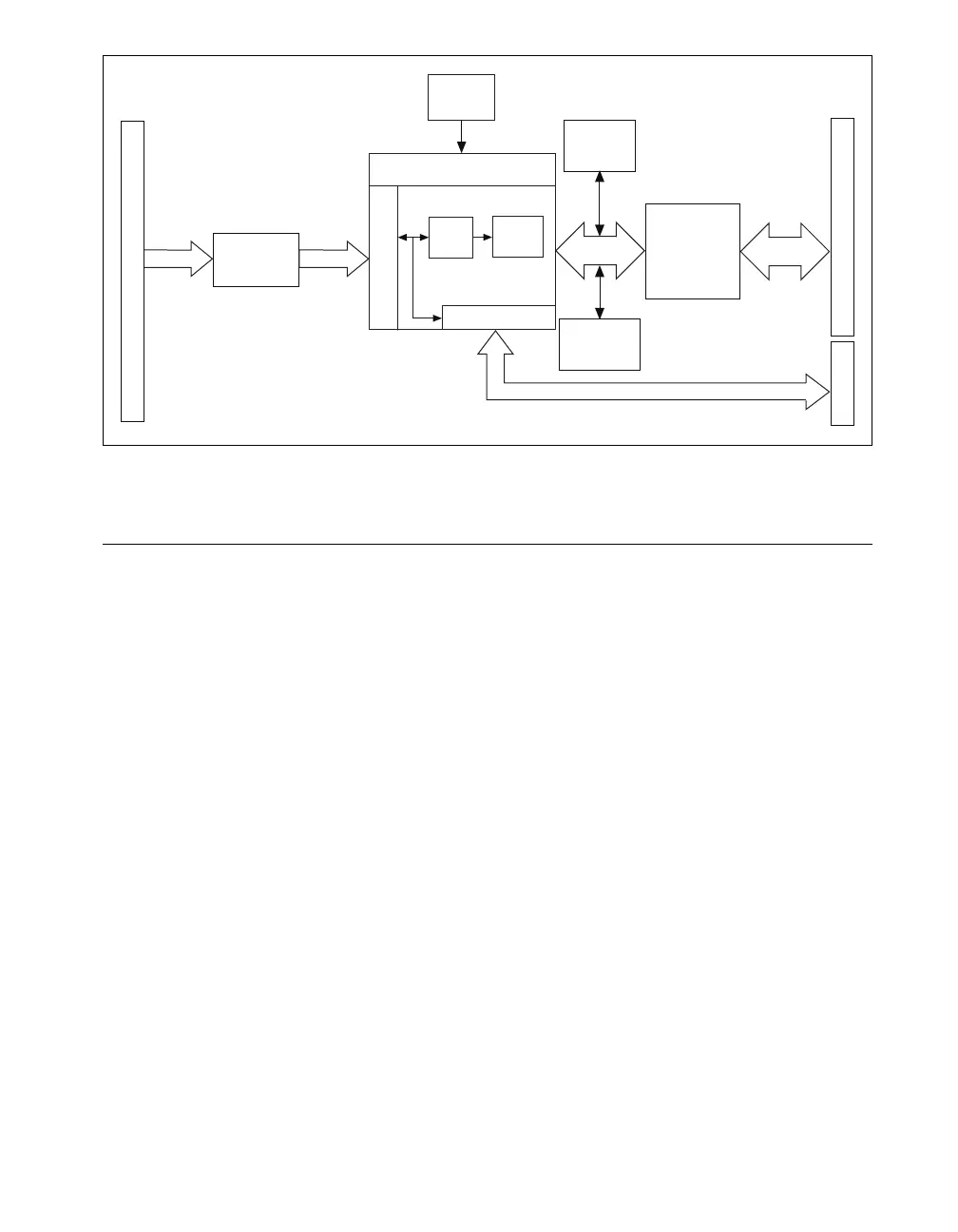
Figure 2. NI 6529 Block Diagram
Safety Information
The following section contains important safety information that you must
follow when installing and using National Instruments DIO devices.
Do not operate the device in a manner not specified in this document.
Misuse of the DIO device can result in a hazard. You can compromise the
safety protection built into the DIO device if it is damaged in any way. If
the DIO device is damaged, return it to National Instruments for repair.
Do not substitute parts or modify the DIO device except as described in this
document. Use the DIO device only with the chassis, modules, accessories,
and cables specified in the installation instructions. You must have all
covers and filler panels installed during operation of the DIO device.
Do not operate the DIO device in an explosive atmosphere or where there
may be flammable gases or fumes. If you must operate the DIO device in
such an environment, it must be in a suitably rated enclosure.
If you need to clean the DIO device, use a soft, nonmetallic brush. Make
sure that the DIO device is completely dry and free from contaminants
before returning it to service.
PCI Bus
Interface
Flash
Memory
Configuration
Control
Data/Control
Data/Control
Input
Isolation
48 Inputs 48 Inputs
Industrial Digital
I/O Control FPGA
DI Lines
Change
Detection
Digital
Filtering
RTSI
PCI/PXI/CompactPCI Bus
I/O Connector
10 MHz
Clock
RTSI
RTSI

Related product manuals