EasyManua.ls Logo

Nibe F2015 - F2015 Docked to the Oil-Fired;Pellet Boiler Together with SMO 10 and Water Heater (Floating Condensing)

Nibe F2015
44 pages
Print Icon
To Next Page IconTo Next Page
To Next Page IconTo Next Page
To Previous Page IconTo Previous Page
To Previous Page IconTo Previous Page
Loading...
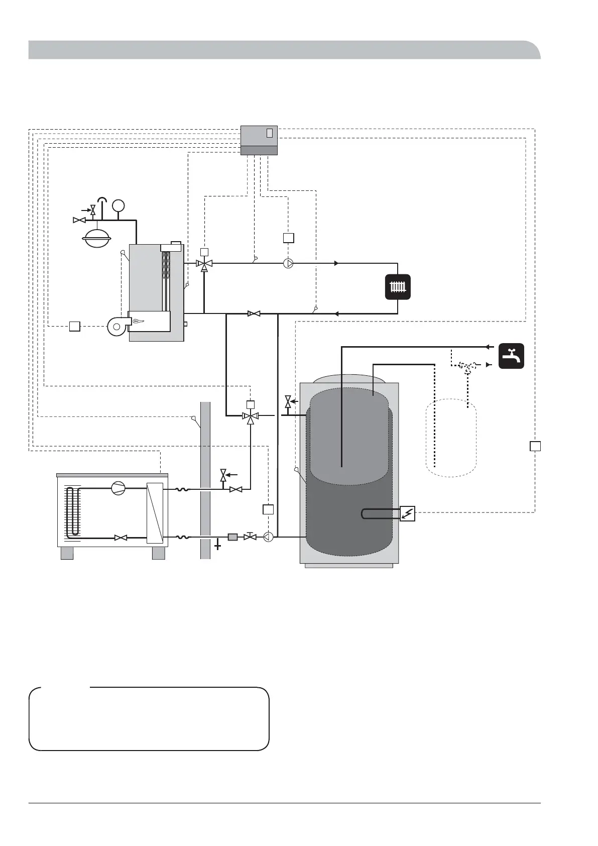
F2015 docked to the oil-fired/pellet boiler together with SMO 10 and water heater (floating con-
densing)
VXV1
PG
SMO 10
HR
HR
HR
HR
SF RV
P
FG1
CP1
RG1
SV1
VVG
LP1
UG
SÄV
FIGHTER 2020
)
SMO 10 controls F2015, oil-fired boiler, circulation pumps,
shunts, etc. F2015 works with floating condensing against
the heating system and prioritises hot water charging via the
three way valve (VXV1).
If F2015 cannot meet the heating requirement, the oil-fired
boiler is started and additional heat is shunted in.
NOTE
To prevent interference, sensor cables and communic-
ation cables must be separated (min 20 cm) from high
voltage cables when cable routing.
F20158
For the Installer
Docking

Table of Contents

Related product manuals