EasyManua.ls Logo

Nibe F2015 - F2015 Docked to an Electric;Oil Boiler (Floating Condensing)

Nibe F2015
44 pages
Print Icon
To Next Page IconTo Next Page
To Next Page IconTo Next Page
To Previous Page IconTo Previous Page
To Previous Page IconTo Previous Page
Loading...
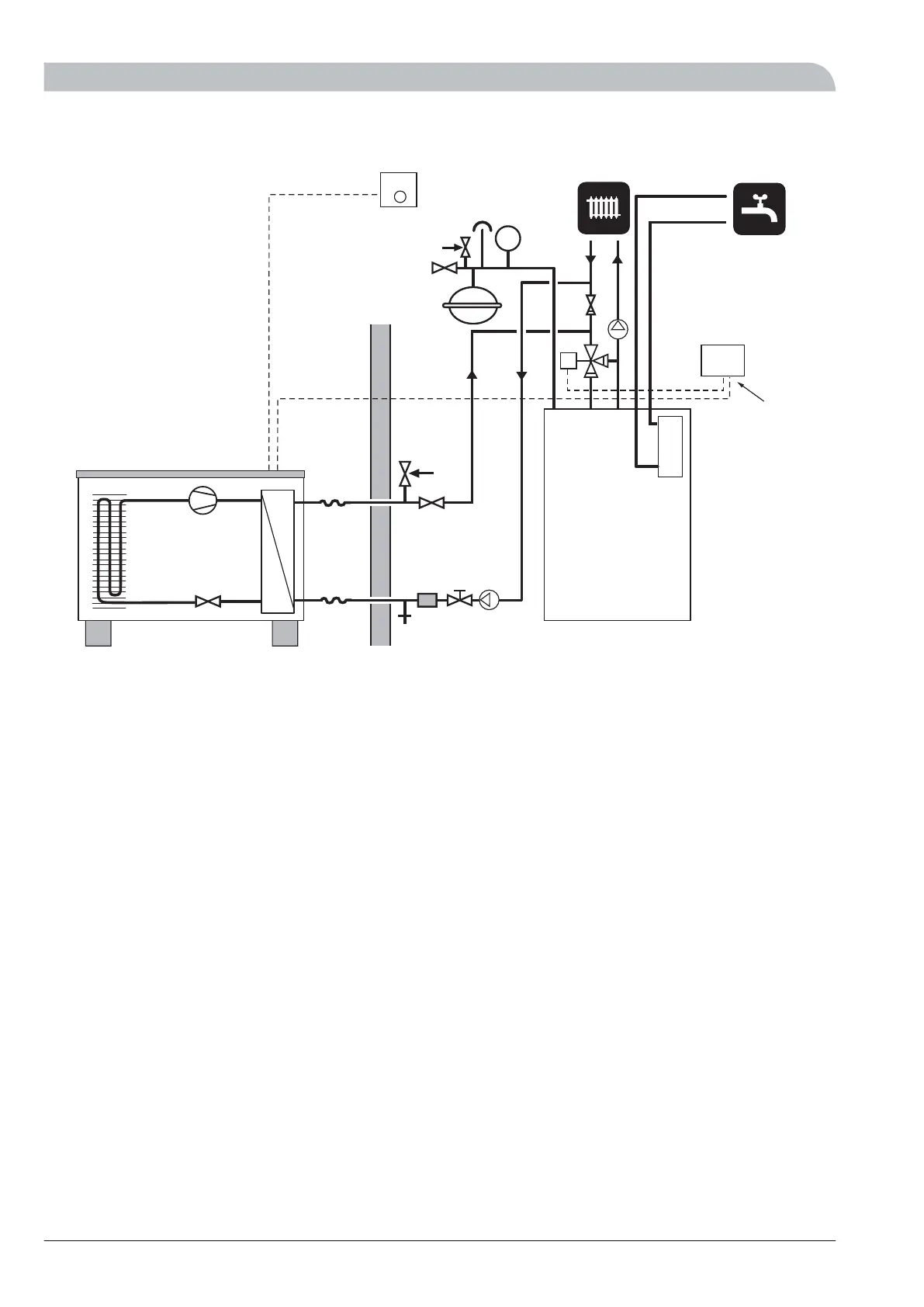
F2015 docked to an electric/oil boiler (floating condensing)
P
FIGHTER 2020
AV
RV
LP
SF
V
TV
RT 10
RC
Extern alt
befintlig regler-
utrustning.
)
([WHUQDO RU H[LVWLQJ
FRQWURO HTXLSPHQW
F2015 is controlled by a room thermostat. F2015 works with
floating condensing on the return from the heating system.
If F2015 cannot meet the heating requirement the additional
heat is shunted in using the existing control equipment.
Additional heat can be blocked above the set balance tem-
perature by means of the automatic control system in F2015.
In other cases the heat pump does not collaborate with the
electric/oil fired boiler in the optimum way.
Hot water production only takes place using the existing
electric/oil boiler.
This option requires accessory RT 10.
F201510
For the Installer
Docking

Table of Contents

Related product manuals