EasyManua.ls Logo

Nice HYPPO HY 7005

Nice HYPPO HY 7005
16 pages
To Next Page IconTo Next Page
To Next Page IconTo Next Page
To Previous Page IconTo Previous Page
To Previous Page IconTo Previous Page
Loading...
Hyppo
14
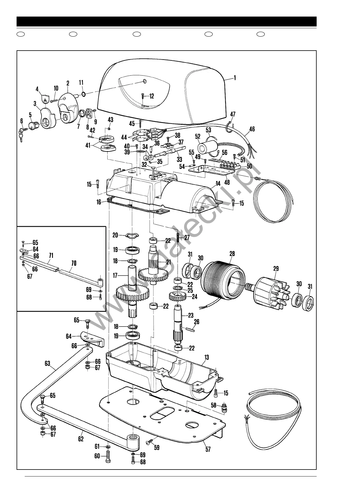
CATALOGO RICAMBI - SPARE PARTS CATALOGUE - CATALOGUE DES RECHANGES - ERSATZTEILKATALOG - CATALOGO DE RECAMBIOS
I GB F D E
www.gałecki.pl

Other manuals for Nice HYPPO HY 7005

Related product manuals