EasyManua.ls Logo

Nice UDL2

Nice UDL2
104 pages
Go to English
To Next Page IconTo Next Page
To Next Page IconTo Next Page
To Previous Page IconTo Previous Page
To Previous Page IconTo Previous Page
Loading...
Polskie – 9
PL
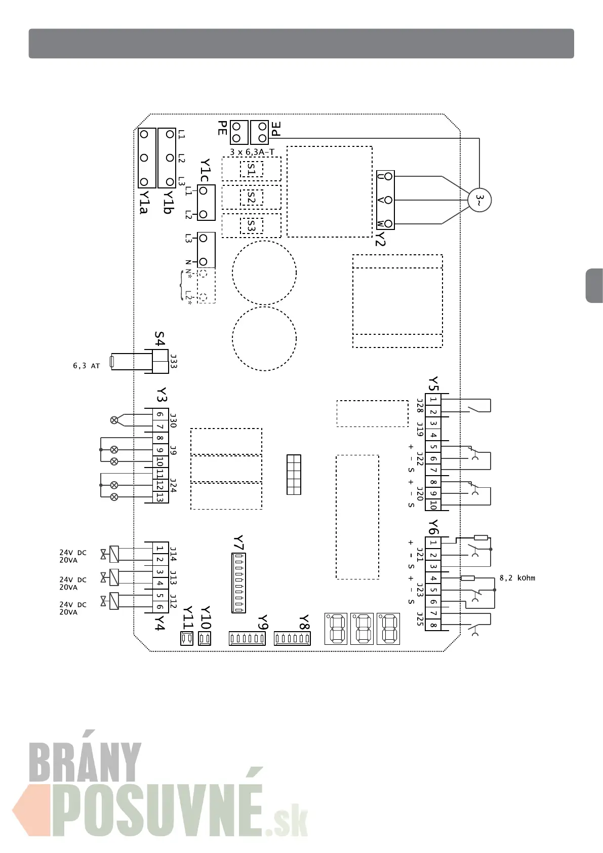
SCHEMAT PODŁĄCZENIA UDL 2
UWAGA:
Jeżeli do Y6 (4.5.6)
podłączony jest
czujnik, należy założyć
mostek elektryczny na
Y6 (7.8).
Zawór 3
Silnik hydrauliczny
Aktywacja
UST1-MB
zacisk X3
(1, 2)
Detektor
pojazdów
Klin pod koła
Opuszczanie wymuszone
(ogrodzenie
bezpieczeństwa)
Most załadunkowy
pozycja spoczynku
Aktywacja mostu
załadunkowego
UST1-K4
Zacisk 4, 6
Zworka modułu
personalizacyjnego
(PEEP)
Zworka modułu
master
Zworka roboczej
diody LED
Zworka syreny
alarmowej
Mikroprocesor
Przekaźnik 4
Funkcja testowa
Przekaźnik 3
Przekaźnik 2
Przekaźnik 1
Zworka
modułów
Zawór 2
Zawór 1
Oświetlenie rampy
załadunkowej
Semafor
zewnętrzny
Semafor
wewnętrzny
Bezpiecznik
topikowy
Zworka elementów
sterowniczych

Related product manuals