EasyManua.ls Logo

Nixie Clock QTC - Page 58

Default Icon
58 pages
Print Icon
To Previous Page IconTo Previous Page
To Previous Page IconTo Previous Page
Loading...
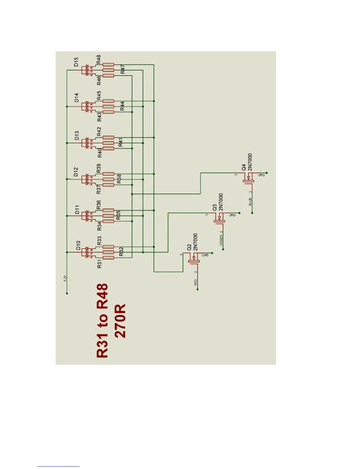
Nixie Tube Clock ‘Nixie QTC’
Issue 11a (11 December 2014)
www.pvelectronics.co.uk
- 58 -

Table of Contents