EasyManua.ls Logo

Nokia RM-272 - System Block Diagram

Nokia RM-272
152 pages
Print Icon
To Next Page IconTo Next Page
To Next Page IconTo Next Page
To Previous Page IconTo Previous Page
To Previous Page IconTo Previous Page
Loading...
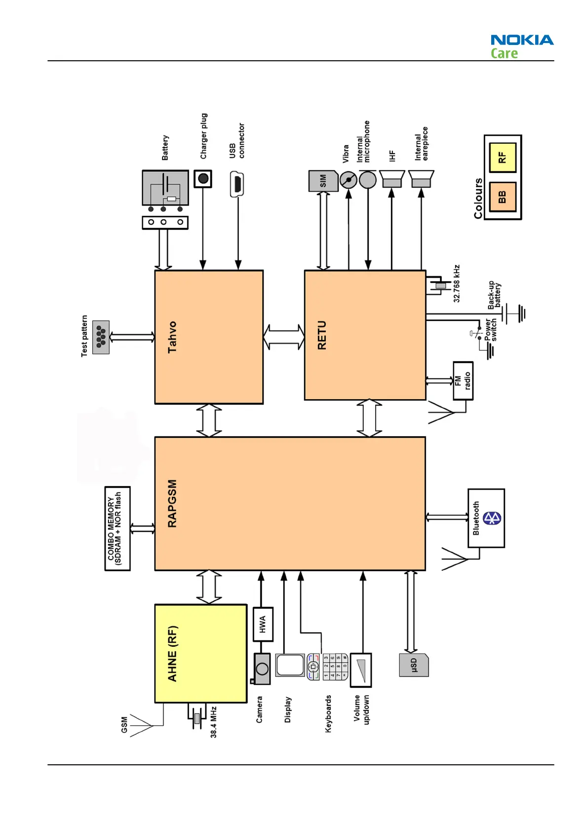
System block diagram
Figure 28 System block diagram
RM-272; RM-273
System module
Issue 1 COMPANY CONFIDENTIAL Page 5 –7
Copyright © 2007 Nokia. All rights reserved.

Table of Contents

Related product manuals