EasyManua.ls Logo

Nokia RM-272 - Internal Audio

Nokia RM-272
152 pages
Print Icon
To Next Page IconTo Next Page
To Next Page IconTo Next Page
To Previous Page IconTo Previous Page
To Previous Page IconTo Previous Page
Loading...
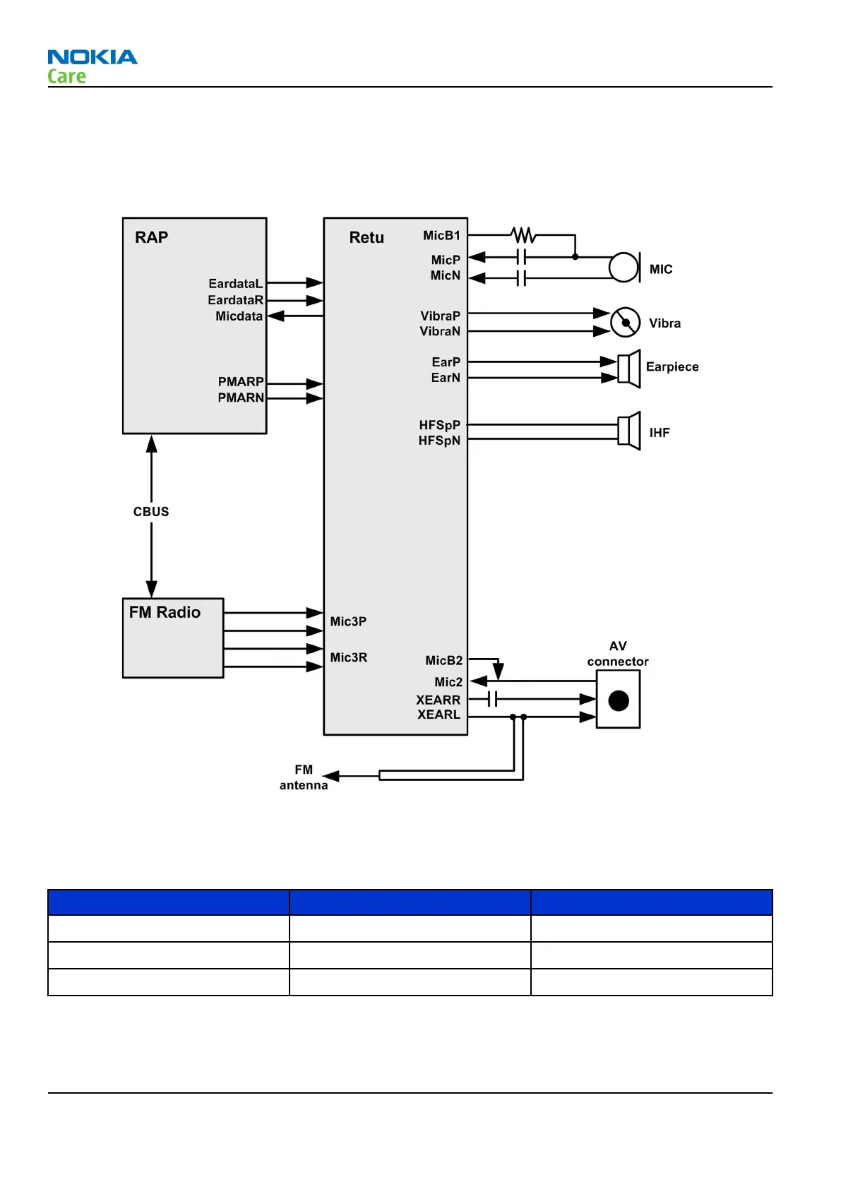
1 dynamic speaker
1 microphone module
Retu also provides an output for the vibra motor.
All external audio accessories are connected to the specific audio connector.
Figure 33 Audio block diagram
Internal audio
The internal audio components are used in these modes:
Hand portable (HP) mode Internal hands free (IHF) mode
Microphone X X
Earpiece X
Speaker X
RM-272; RM-273
System module
Page 5 –14 COMPANY CONFIDENTIAL Issue 1
Copyright © 2007 Nokia. All rights reserved.

Table of Contents

Related product manuals