EasyManua.ls Logo

Nokia RM-824 - Page 147

Nokia RM-824
204 pages
Print Icon
To Next Page IconTo Next Page
To Next Page IconTo Next Page
To Previous Page IconTo Previous Page
To Previous Page IconTo Previous Page
Loading...
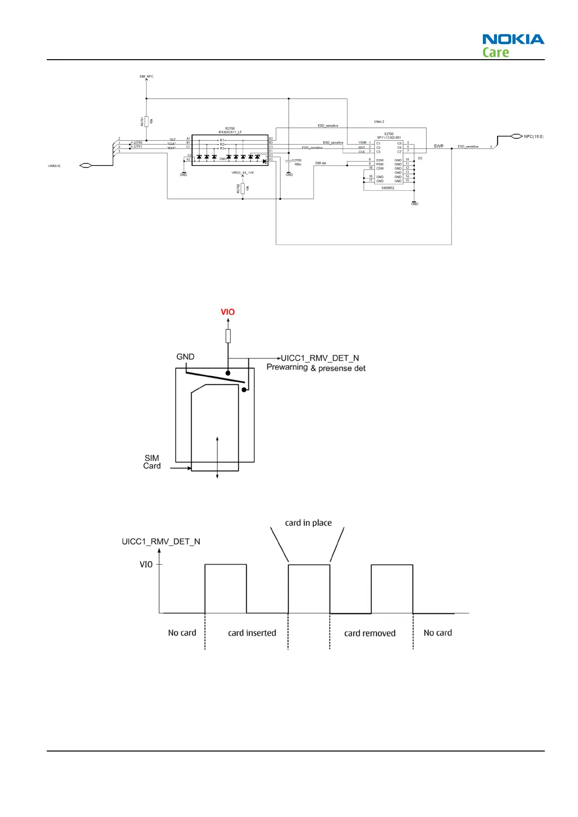
Figure 33 Micro SIM diagram
For detection of SIM card presence, insertion and removal there are two switches in the SIM connector to
enable hot swap functionality.
Figure 34 SIM switch behaviour
RM-824; RM-825; RM-826
System Module
Issue 2 NOKIA INTERNAL USE ONLY Page 6 – 13
Copyright © 2012 Nokia. All rights reserved.

Table of Contents

Related product manuals