EasyManua.ls Logo

Norac UC4+ - Page 12

Norac UC4+
50 pages
Print Icon
To Next Page IconTo Next Page
To Next Page IconTo Next Page
To Previous Page IconTo Previous Page
To Previous Page IconTo Previous Page
Loading...
9
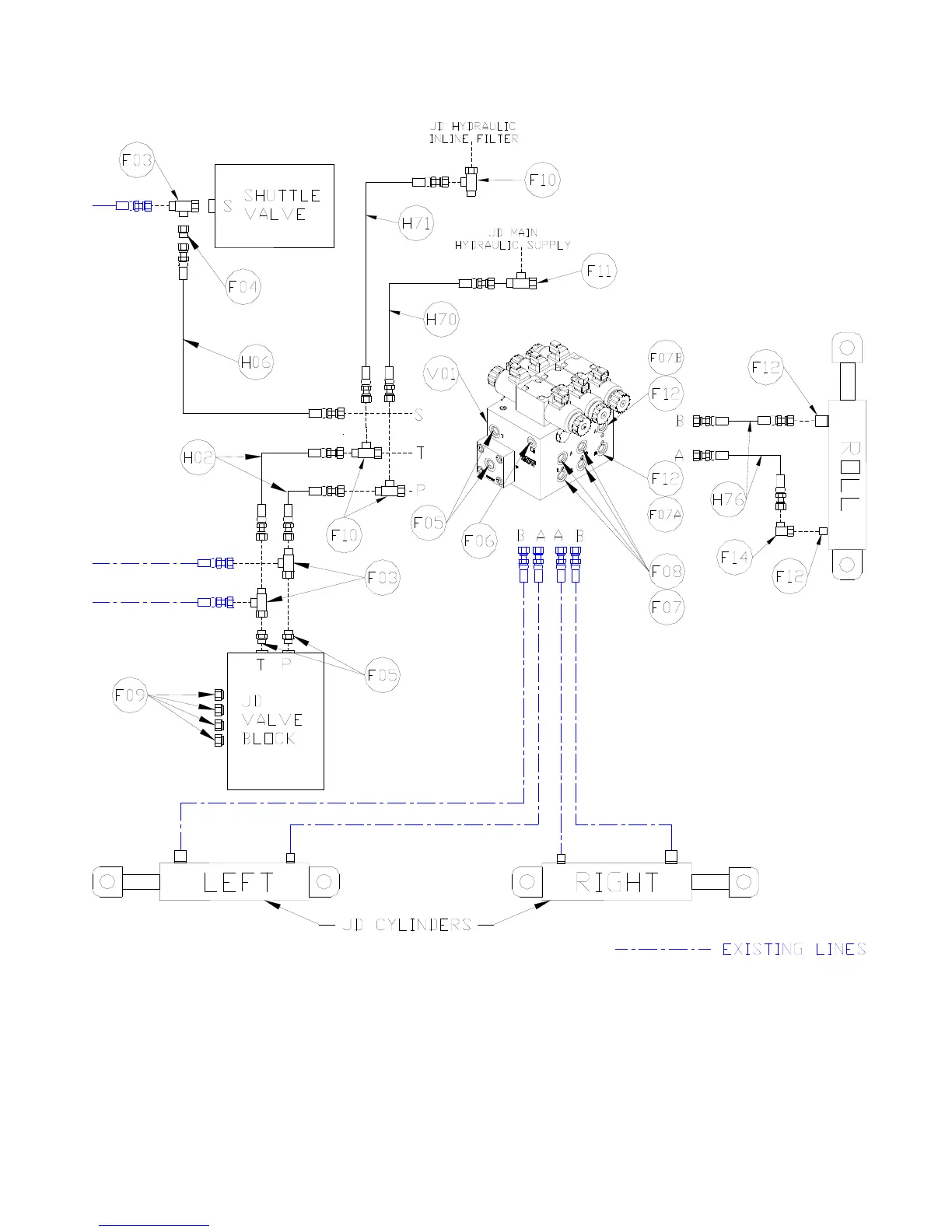
Figure 3 – Hydraulic Plumbing Schematic