EasyManua.ls Logo

Norac UC4+ - Sensor Related Issues; Sensor Appears Not to Work: Displaying

Norac UC4+
50 pages
Print Icon
To Next Page IconTo Next Page
To Next Page IconTo Next Page
To Previous Page IconTo Previous Page
To Previous Page IconTo Previous Page
Loading...
40
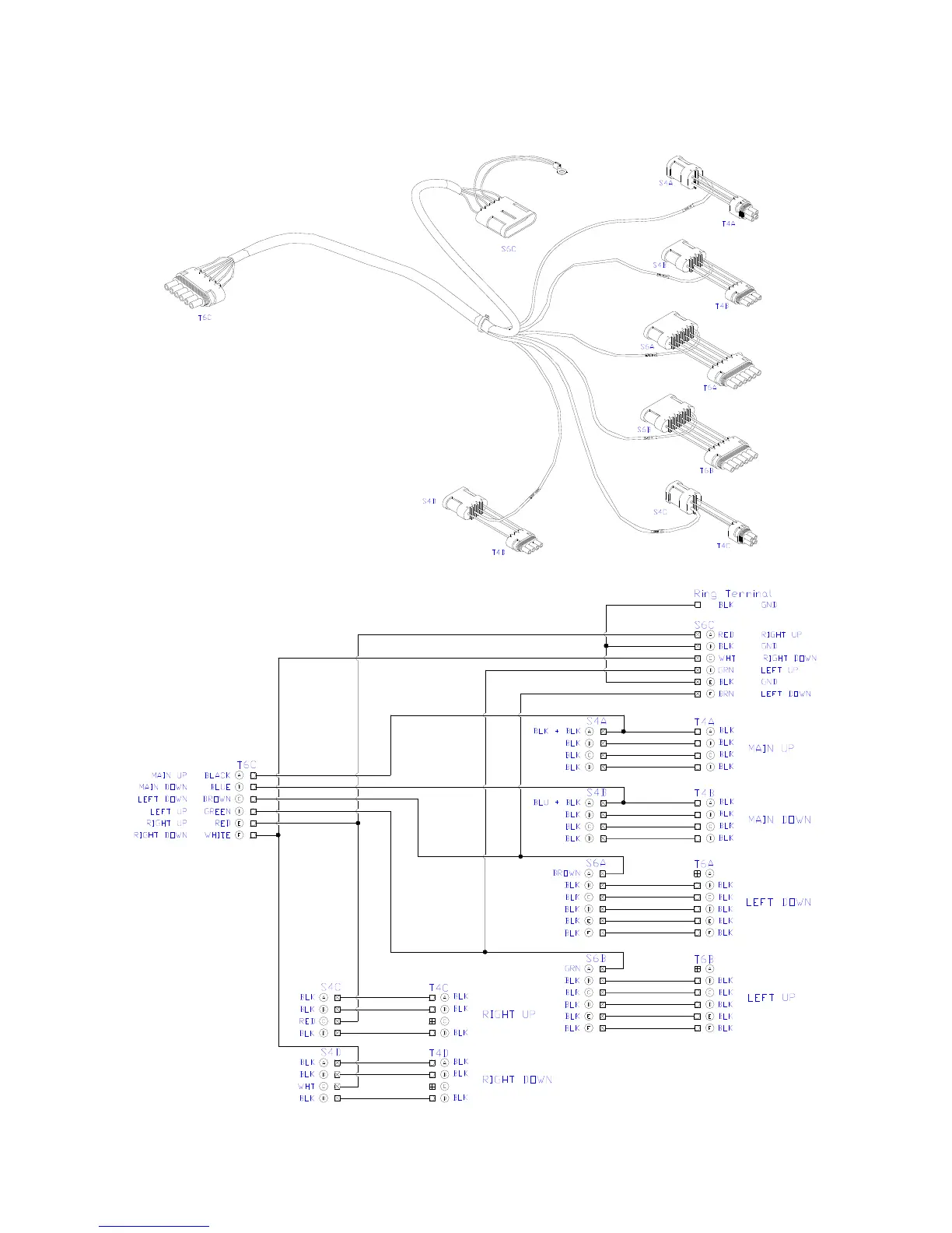
5.6 ITEM C12: 44658-01 UC4 JD JUNCTION CABLE