EasyManua.ls Logo

Nordic Semiconductor nRF52 DK - Khz Crystal

Nordic Semiconductor nRF52 DK
33 pages
Print Icon
To Next Page IconTo Next Page
To Next Page IconTo Next Page
To Previous Page IconTo Previous Page
To Previous Page IconTo Previous Page
Loading...
Hardware description
Figure 15: I/O expander schematic
Note: Software debouncing is not needed when using the I/O expander. Each button on the nRF52
DK is equipped with a debouncing filter.
4.6 32.768 kHz crystal
The nRF52832 SoC can use an optional 32.768 kHz crystal (X2) for higher accuracy and lower average
power consumption.
On the nRF52 DK, P0.00 and P0.01 are used for the 32.768 kHz crystal by default and are not available as
GPIO on the connectors.
Note: When using ANT/ANT+, the 32.768 kHz crystal (X2) is required for correct operation.
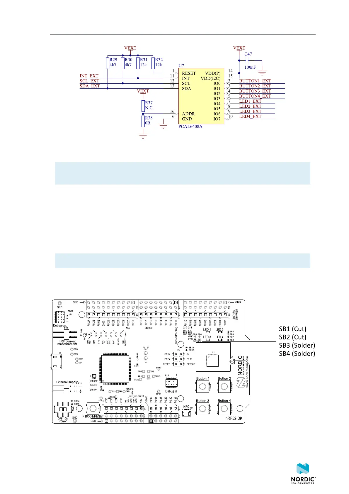
If P0.00 and P0.01 are needed as normal I/Os, then the 32.768 kHz crystal can be disconnected and the
GPIO routed to the connectors. Cut the shorting track on SB1 and SB2, and solder SB3 and SB4. See the
following figure for reference.
Figure 16: Configuring P0.00 and P0.01
4397_500
17

Related product manuals