EasyManua.ls Logo

NordicTrack NTL10224-INT.1 - Page 34

NordicTrack NTL10224-INT.1
36 pages
To Next Page IconTo Next Page
To Next Page IconTo Next Page
To Previous Page IconTo Previous Page
To Previous Page IconTo Previous Page
Loading...
34
11
64
2
93
92
33
94
93
88
87
1
91
9
5
6
87
88
90
14
14
64
11
6
77
6
9
33
14
88
87
89
84
1
6
2
6
6
14
88
87
1
2
6
85
79
12
75
78
12
12
12
81
12
6
2
2
6
6
2
80
74
12
12
12
12
12
76
12
12
83
12
12
12
5
50
50
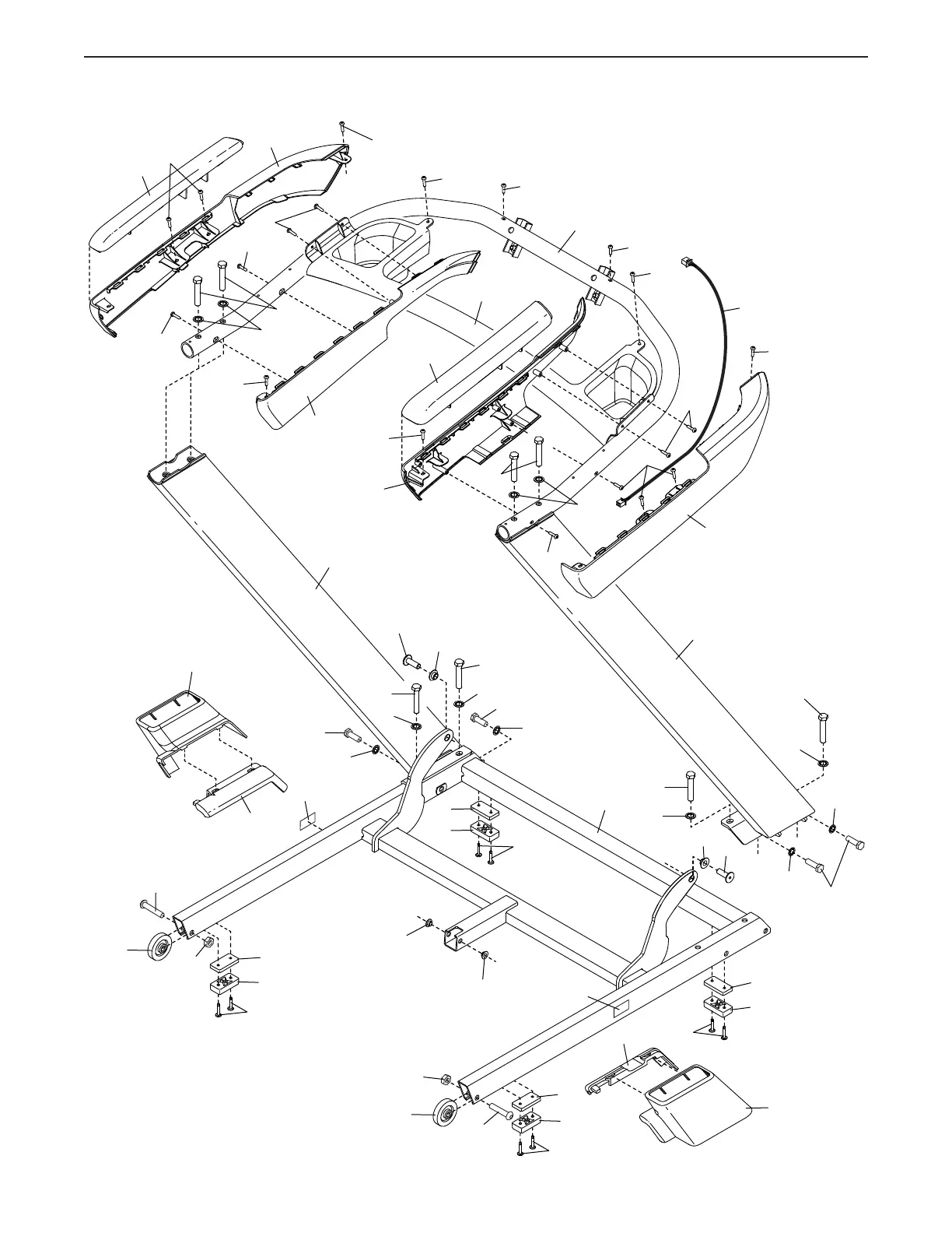
EXPLODED DRAWING C
Model No. NTL10224-INT.1 R0623A

Related product manuals