EasyManua.ls Logo

Norsup P31V/32 - Page 130

Default Icon
273 pages
Print Icon
To Next Page IconTo Next Page
To Next Page IconTo Next Page
To Previous Page IconTo Previous Page
To Previous Page IconTo Previous Page
Loading...
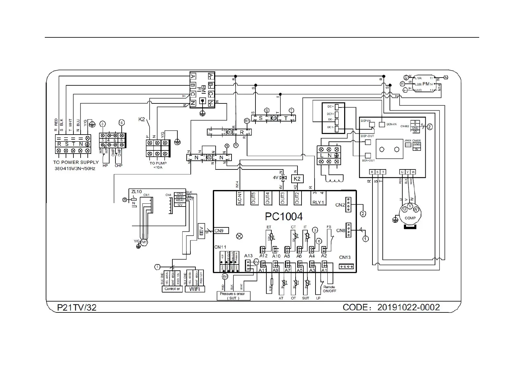
6.ANHANG
6.1 Kreislaufdiagramm
AT: Umgebungstemperatur
COMP: Kompressor
CT: Spulentemperatur
EEV: Elektronisches
Expansionsventil
ET: Ablufttemperatur
FM: Lüftermotor
FS: Flussschalter
HP: Hochdruckschutz
PM: Phasenmonitor
IT: Einlasswassertemperatur
K2: Pumpenrelais
LP: Niederdruckschutz
OT: Auslasswassertemperatur
OHP: Überhitzungsschutz
SUT Saugtemperatur
4V: 4-Weg-Ventil
Treibermodulboard
Elektroreaktor

Table of Contents

Related product manuals