EasyManua.ls Logo

Norsup P31V/32 - Page 131

Default Icon
273 pages
Print Icon
To Next Page IconTo Next Page
To Next Page IconTo Next Page
To Previous Page IconTo Previous Page
To Previous Page IconTo Previous Page
Loading...
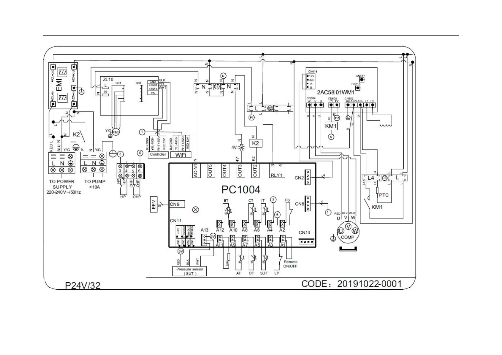
6.ANHANG
6.1 Kreislaufdiagramm
Elektroreaktor
AT: Umgebungstemperatur
COMP: Kompressor
CT: Spulentemperatur
EEV: Elektronisches Expansionsventil
ET: Ablufttemperatur
FM: Lüftermotor
FS: Flussschalter
HP: Hochdruckschutz
IT: Einlasswassertemperatur
KM1: Kompressorschütz
K2: Pumpenrelais
LP: Niederdruckschutz
OT: Auslasswassertemperatur
OHP: Überhitzungsschutz
PM: Phasenmonitor
SUT: Saugtemperatur
4V: 4-Weg-Ventil

Table of Contents

Related product manuals