EasyManua.ls Logo

Norsup P31V/32 - Page 176

Default Icon
273 pages
Print Icon
To Next Page IconTo Next Page
To Next Page IconTo Next Page
To Previous Page IconTo Previous Page
To Previous Page IconTo Previous Page
Loading...
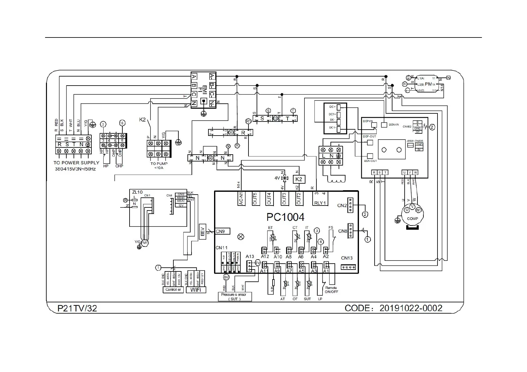
6.ANNEXE
6.1 Schéma de raccordement
TA Température ambiante
COMP : Compresseur
TB : Température de la bobine
SDE : Soupape de détente
électronique
TE : Température des gaz
d'échappement
MV : Moteur de ventilateur
CD : Commutateur de débit
PHP : Protection haute pression
PM : Phase moniteur
TEE : Température de l'eau à
l'entrée
K2 : Relais de pompe
PBP : Protection basse pression
TS : Température de l'eau à la
sortie
PCS : Protection contre la
surchauffe
TA : Température d'aspiration
4V : Valve 4V 4voies
Carte de module de
pilote
Réacteur électrique

Table of Contents

Related product manuals