EasyManua.ls Logo

Norsup P31V/32 - Page 177

Default Icon
273 pages
Print Icon
To Next Page IconTo Next Page
To Next Page IconTo Next Page
To Previous Page IconTo Previous Page
To Previous Page IconTo Previous Page
Loading...
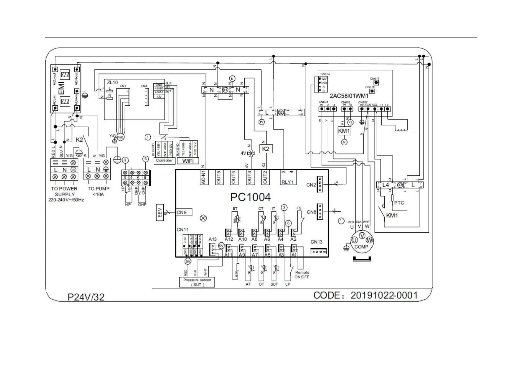
6.ANNEXE
Réacteur
électrique
TA Température ambiante
COMP : Compresseur
TB : Température de la bobine
SDE : Soupape de détente électronique
TE : Température des gaz d'échappement
MV : Moteur de ventilateur
CD : Commutateur de débit
PHP : Protection haute pression
TEE : Température de l'eau à l'entrée
KM1 : Contacteur de compresseur
K2 : Relais de pompe
PBP : Protection basse pression
TS : Température de l'eau à la sortie
PCS : Protection contre la surchauffe
PM : Phase moniteur
TA : Température d'aspiration
4V : Valve 4V 4voies

Table of Contents

Related product manuals