EasyManua.ls Logo

NorthStar Explorer S310 - Page 105

Default Icon
124 pages
Print Icon
To Next Page IconTo Next Page
To Next Page IconTo Next Page
To Previous Page IconTo Previous Page
To Previous Page IconTo Previous Page
Loading...
Northstar Explorer S310 Installation and Operation Manual
105
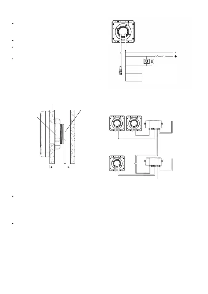
Om flera instrument används, kan kopplingen
förenklas genom valfria kabelbox ar enligt nedan:
Se NavBus Manual för installation och användning
för mer information om hur du kopplar in NavBus
och använder kabelboxarna.
Tejpa fast eller täck över eventuellt oanvända 2.
kablar eller kontaktdon för att skydda dem
från vatten och kortslutning.
Stroom-/datakabels
Aan-sluitdoos
Aan-sluitdoos
Stroom-
verbindingen
Stroom-/datakabel
NavBus- &
stroomkabel
Groep 1
Groep 2
Naar volgende
groep
Koppla in kablarna mellan givaren och 3.
displayenheten.
ll kabeln på avstånd från andra kablar,
motorer, fluorescerande ljus, växelriktare och
radio- eller radarsändare.
Säkerhetställ att kablarna inte ligger i vatten.
rläng om nödvändigt kabeln med
förlängningskablar.
Kolla regelbundet att kabeln sitter stadigt.
Koppla givaren till displayenhetens 4.
kontaktdon.
Fritt utrymme 50 mm min.
20 mm max. tjocklek
Monteringsmutter
Kablar
Displayenhet
Monteringshål
50 mm
Sidobild av displaymonteringen
12 V
likström
Externa ljud eller
ljusalarm (valfritt)
Röd
Vit
Grön
Svart
Gul
Strömbrytare
Säkring
Orange
Blå
NavBus (valfritt)
Fart/temperaturgivare
NMEA ut (valfritt)
NMEA in (GPS, valfritt)
}
Ström/datakabling
Koppla displayenhetens ström/data kabel:1.
Enheten kver 12 V likstm. Koppla
in en stmbrytare och en kring till
stmförrjningen eller förrj enheten fn en
krad hlpstmbrytare. kringen r vara 1A
för upp till 5 instrument.
Om externa ljud eller ljusalarm kräver mer än 250
mA likström totalt, bör ett relä kopplas in.
En enkelenhet kan kopplas enligt nedanstående:

Table of Contents

Related product manuals