EasyManua.ls Logo

NorthStar Explorer S310 - Page 119

Default Icon
124 pages
Print Icon
To Next Page IconTo Next Page
To Next Page IconTo Next Page
To Previous Page IconTo Previous Page
To Previous Page IconTo Previous Page
Loading...
Northstar Explorer S310 Installation and Operation Manual
119
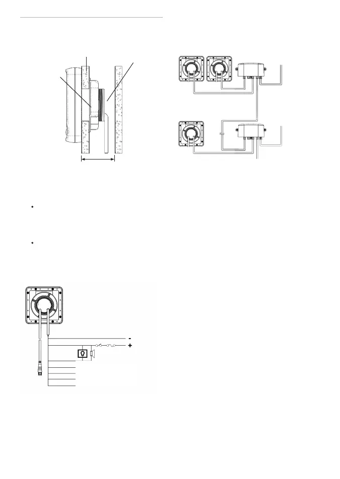
Useille laitteille, käytä lisä kytkentärasiaa
johdotukseen kuten alla:
Ohjeet NavBus asennusohjeesta.
Teippaa tai suojaa kaikki käyttämättömät 2.
kaapelit ja liittimet.
Virta/datakaapeli
Kytkentärasia
Kytkentärasia
Virta
kytkennät
Virta/datakaapeli
NavBus &
virtakaapeli
Ryhmä 1
Ryhmä 2
Seuraava
laiteryhmä
Virta/data kytkentä
Näyttölaitteen virta/data johdotus:1.
Laite tarvitsee 12 V virran. Asenna
virtakytkin ja sulake tai ota virta
sulakerasiasta. Sulakkeen pitää olla 1 A
aina viiteen laitteeseen asti.
Jos lisähälyttimet tarvitsevat enemmän
kuin 250 mA, asenna rele.
Vapaata vähintään 50 mm
20 mm maksimi
paksuus
Kaapelit
Näyttölaite
Trou de
montage
50 mm
Sivukuva näytön asennuksesta
12 V DC
virta
Lisähälyttimet (optio)
Punainen
Valkoinen
Vihreä
Musta
Keltainen
Kytkin
Sulake
Oranssi
Sininen
NavBus (optio)
Nopeus/lämpötila anturi
NMEA ulos (optio)
NMEA sisään (GPS, optio)
}
Yhden laitteen johdotus ks. Alla:
Asennusmutteri

Table of Contents

Related product manuals