EasyManua.ls Logo

NorthStar Explorer S310 - Page 30

Default Icon
124 pages
Print Icon
To Next Page IconTo Next Page
To Next Page IconTo Next Page
To Previous Page IconTo Previous Page
To Previous Page IconTo Previous Page
Loading...
Northstar Explorer S310 Installation and Operation Manual
30
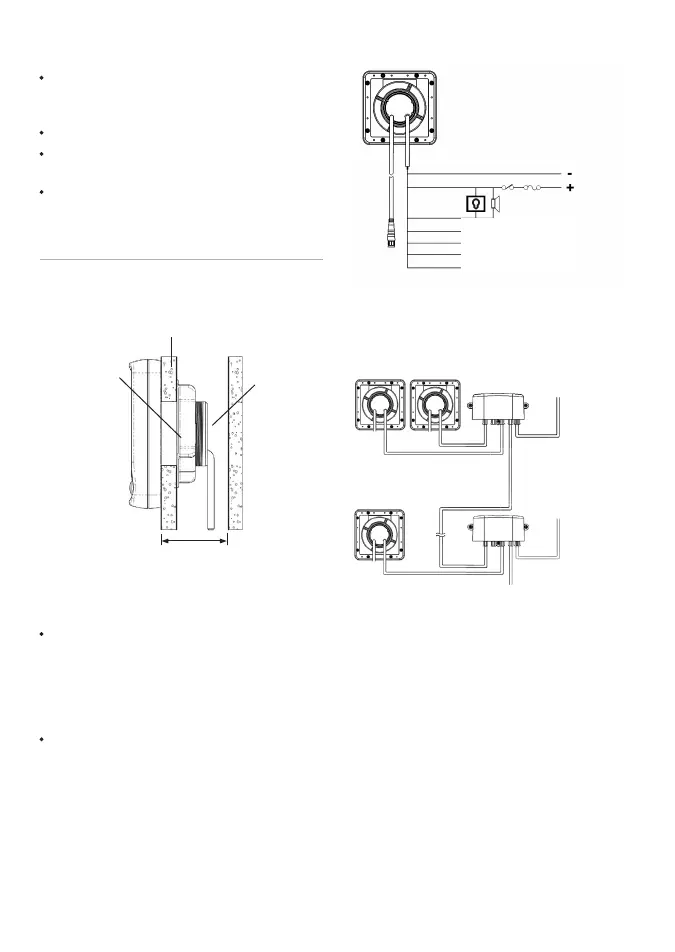
Con diversos instrumentos, utilizar las cajas de
empalme para simplificar la conexión alámbrica,
como se muestra a continuación :
Para obtener información de cómo conectar
NavBus y utilizar las cajas de empalme, consultar
el manual de Instalación y Operación NavBus.
Cubrir o asegurar con cinta los cables o 2.
conectores que no sean utilizados, para
protegerlos del agua y evitar el roce entre los
mismos.
50 mm (2”) de espacio mínimo
Espesor máximo de
20 mm (0.75)
Tuerca de
fijación
Cables
Pantalla
Agujero de
fijación de
50 mm (2”)
Vista lateral del montaje de la unidad
Potencia
12 V CC
Luces o bipers
externos (opcional)
Rojo
Blanco
Verde
Negro
Amarillo
Interruptor
Fusible
Naranja
Azul
NavBus (opcional)
Transductor de velocidad/temperatura
NMEA out (opcional)
NMEA in (GPS, opcional)
}
Conexión alámbrica de potencia/ data
Conectar el cable de potencia/data de la unidad :1.
La unidad requiere 12 V DC de potencia. Instalar
un interruptor y un fusible al suministro de
energía o conseguir potencia para la unidad
desde un interruptor auxiliar con fusible. El
fusible debe ser de 1 A para un maximo de
cinco instrumentos.
Instalar un relevador si las luces y bipers
externos requieren más de 250 mA DC en
total.
Una unidad simple puede tener una conexión
alámbrica como se muestra a continuación :
Poner los cables entre los transductores y la 3.
unidad :
Mantener el cable alejado de otros cables,
motores, luces fluorescente, inversores de
potencia y tranmisores de radio o radar.
Asegurarse de que conectores en la sentina.
Si es necesario, alargar el cable agregando
cables de extensión.
Asegurar el cable en intervalos regulares.
Conectar los transductores a los conectores 4.
de la unidad.
Cables de potencia/data
Caja de
empalme
Caja de
empalme
Conexiones
de potencia
& data
Cables de potencia/data
Cable NavBus
Grupo 1
Grupo 2
Conexiones de
potencia & data

Table of Contents

Related product manuals