EasyManua.ls Logo

NorthStar Explorer S310 - Page 75

Default Icon
124 pages
Print Icon
To Next Page IconTo Next Page
To Next Page IconTo Next Page
To Previous Page IconTo Previous Page
To Previous Page IconTo Previous Page
Loading...
Northstar Explorer S310 Installation and Operation Manual
75
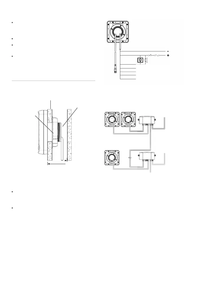
Netz/Daten-Kabel
Verbindungs-
box
Verbindungs-box
Spannungs-
versorgung
Netz/Daten-Kabel
NavBus &
Spannungskabel
Gruppe 1
Gruppe 2
Zur nächsten
Gruppe
Bei Mehrfach-Instrumentierung die optionale
Anschluss-Box verwenden (siehe folgende
Zeichnung):
Informationen zur NavBus-Verbindung und der
Anschlussbox-Verwendung sind im NavBus-
Handbuch enthalten.
Nicht benutzte Anschlüsse müssen abisoliert 2.
und vor Feuchtigkeit geschützt werden.
Die Geberkabel geschützt zum Instrument 3.
verlegen.
Die Kabel nicht mit anderen Kabeln bündeln
und mit Abstand zu Motoren, Umformern
und Neonröhren verlegen.
Die Kabel nicht in die Bilge legen.
Bei nicht ausreichender Kabellänge nur mit
Northstar-Zusatzkabeln verlängern.
Die Kabel in regelmäßigen Abständen
befestigen.
Die Geberkabel an das Instrument 4.
anschließen.
Freiraum mind. 50 mm
Max. 20 mm stark
Befestigungsring
Kabel
Instrument
Einbaubohrung
- 50 mm
Schnittzeichnung der Instrumenten-Montage
12 V DC
Versorgung
Externe Signalmittel
(optional)
Rot
Weiß
Grün
Schwarz
Gelb
Schalter
Sicherung
Orange
Blau
NavBus (optional)
Geschwindigkeits-/Temperaturgeber
NMEA - Ausgang
NMEA - Eingang
}
Spannungs-/Daten-Kabel
Folgende Anschlüsse sind erforderlich:1.
12 V DC Spannungsversorgung mit
vorgeschaltetem Ein-/Ausschalter und einer
1Amp-Sicherung (bis max. 5 Instrumente).
Beträgt die Gesamt-Stromaufnahme externer
Alarm-Mittel mehr als 250 mA, ist ein Relais
einzufügen.
Die Verdrahtung für ein Einzel-Instrument ist wie
folgt:

Table of Contents

Related product manuals