EasyManua.ls Logo

NorthStar Explorer S310 - Page 90

Default Icon
124 pages
Print Icon
To Next Page IconTo Next Page
To Next Page IconTo Next Page
To Previous Page IconTo Previous Page
To Previous Page IconTo Previous Page
Loading...
Northstar Explorer S310 Installation and Operation Manual
90
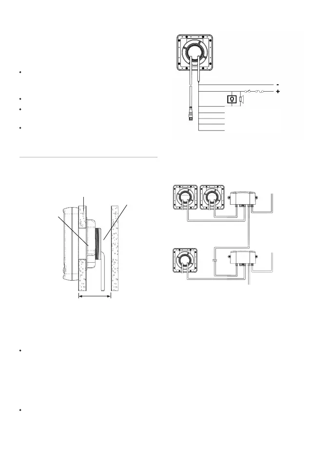
Con più strumenti, usare le scatole opzionali di
connessione per semplificare il cablaggio, come
dimostrato qui sotto:
Per informazioni sulle modalità di collegamento
del NavBus e sull’uso delle scatole di connessione,
consultare il Manuale Installazione e Utilizzo
NavBus.
Isolare o coprire tutti i cavi o connessioni 2.
non usati per metterli a riparo dallacqua e
prendere cura di proteggerli dal cortocircuito.
Scegliere un posto conveniente per 2.
il trasduttore ed installarlo seguendo
le istruzioni nel Manuale installazione
trasduttori.
Posare il cavo tra i trasduttori e l’elemento 3.
display:
Non posare il cavo vicino ad altri cavi, motori,
luci fluorescenti, invertitori di elettricità e
trasmettitori radio o radar.
Non posare i cavi nella sentina.
Se necessario, allungare il cavo con l’aiuto di
cavi di prolunga.
Fissare il cavo in intervalli regolari.
Collegare il trasduttore al connettore 4.
dellelemento display.
Spazio minimo 50 mm
Spessore massimo
20 mm
Dado di fissaggio
Cavi
Elemento
display
Foro 50 mm
Vista laterale montaggio elemento display
Alimentazione
12 V DC
Beeper o luci esterni
(opzionali)
Rosso
Bianco
Verde
Nero
Giallo
Interrupttore
Fusibile
Arancio
Blu
NavBus (opzionale)
Trasduttore velocità/temperatura
Uscita NMEA (opzionale)
Ingresso NMEA (GPS, opzionale)
}
Cablaggio alimentazione/dati
Collegamento del cavo alimentazione/dati 1.
dellelemento display:
Lo strumento richiede un’alimentazione
di 12 V DC. Installare un interruttore ed un
fusibile sul cavo di alimentazione oppure
alimentare lo strumento attraverso un
ausiliario interruttore con fusibile. Il fusibile
deve essere di 1 A per fino a cinque
strumenti.
Se beeper e luci esterni richiedono più di 250
mA DC in totale, installare un relè.
Uno strumento solo può essere collegato come
dimostrato qui sotto:
Cavi di alimentazione/
comunicazione
Cassetta di giunzione
Cassetta di
giunzione
Collegamenti
dell’alimentazione
Cavo alimentazione/
comunicazione
NavBus e cavo
alimentazione
Gruppo 1
Gruppo 2
Al gruppo successivo

Table of Contents

Related product manuals