EasyManua.ls Logo

Norton BBL547 - Page 11

Norton BBL547
36 pages
Print Icon
To Next Page IconTo Next Page
To Next Page IconTo Next Page
To Previous Page IconTo Previous Page
To Previous Page IconTo Previous Page
Loading...
11
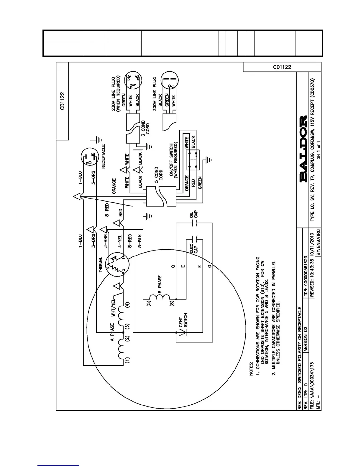
Wiring Diagram 5HP 230v/60 hz/1 Phase
Model Motor
Part#
Motor UPC#
Description
HP Volts Hz PH Baldor
Specification
Baldor
Drawing
BBL527
BBL547
BBL5247
232088
00510003898
MOT 5.0HP 230v/60/1 W/Switch
5
230v
60
1 36J656Y959
CD1122

Related product manuals