EasyManua.ls Logo

Notifier AFP1010 - 4.3 Size Limitations

Notifier AFP1010
268 pages
Print Icon
To Next Page IconTo Next Page
To Next Page IconTo Next Page
To Previous Page IconTo Previous Page
To Previous Page IconTo Previous Page
Loading...
1-55
Installation 15088: K 3/21/01
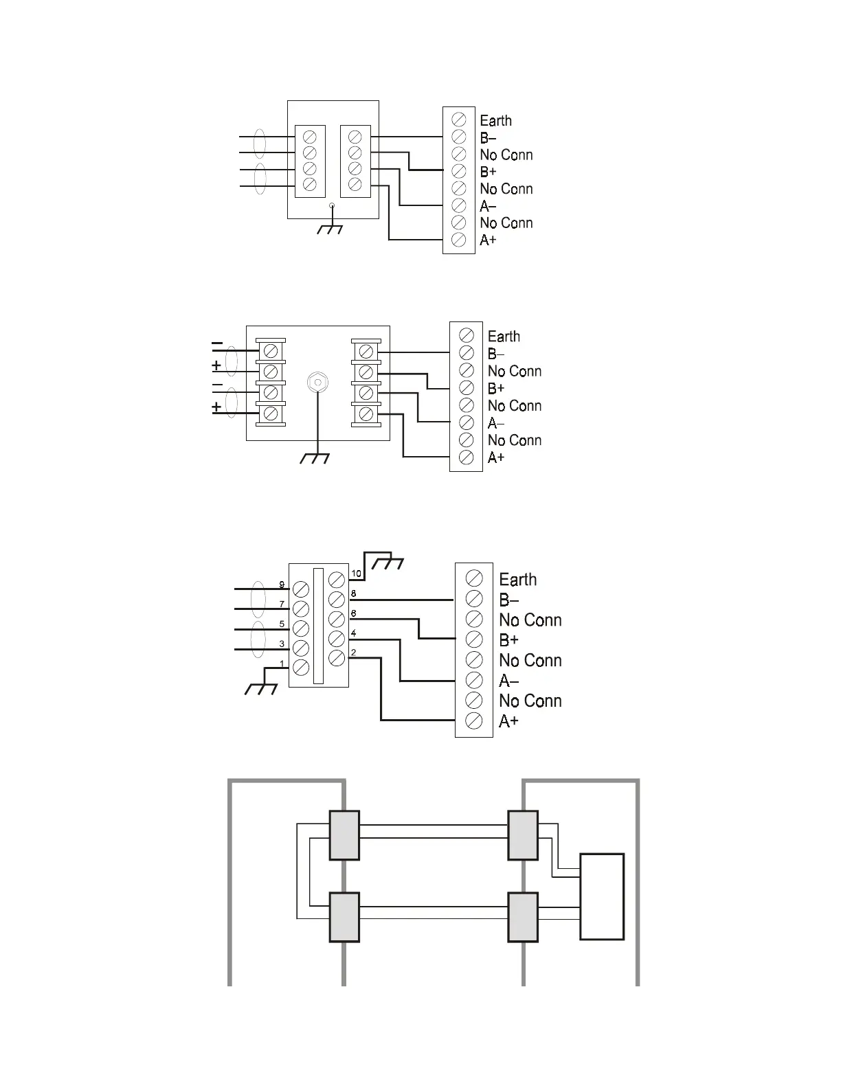
DTK-2LVLP-F Connections
IN OUT
2LVLP-F
+
+
2LVLPconn3.cdr
SLC Terminal Block
Note: Do not connect shield to surge protector or fire panel.
PLP-42N Connections
INPU T
OUTPUT
PLP-42N
L1 L2 L3 L4
L1 L2 L3 L4
GRND
SLC Terminal Block
PLP-Nconn3.cdr
PLP-42N Connections
Note: Use 12 AWG (3.25 mm
2
) to 18AWG (0.75 mm
2
) wire with crimp-on connectors to connect the unit's ground terminal to
equipment ground. Wire length must be minimized to provide best protection. Do not connect shield (if present) to surge
protector or fire panel.
IN OUT
S
L
C
P-30
+
+
SLCP-30conn3.cdr
Building Entry/Exit Connections
OU T IN
IN OU T
IN OU T
OU T IN
FAC P
Surge Suppressor
Buildin
g
#2
Buildin
g
#1
SS-building.cdr
SLC Terminal Block
SLC
SLC
SLC
Figure 4.2-3 Surge Supressor/FACP Connections

Table of Contents

Other manuals for Notifier AFP1010

Related product manuals