EasyManua.ls Logo

Notifier AFP1010 - Section Five Serial Communications; Section 5.1 Optional Serial Interface Boards

Notifier AFP1010
268 pages
Print Icon
To Next Page IconTo Next Page
To Next Page IconTo Next Page
To Previous Page IconTo Previous Page
To Previous Page IconTo Previous Page
Loading...
1-73
Installation 15088: K 3/21/01
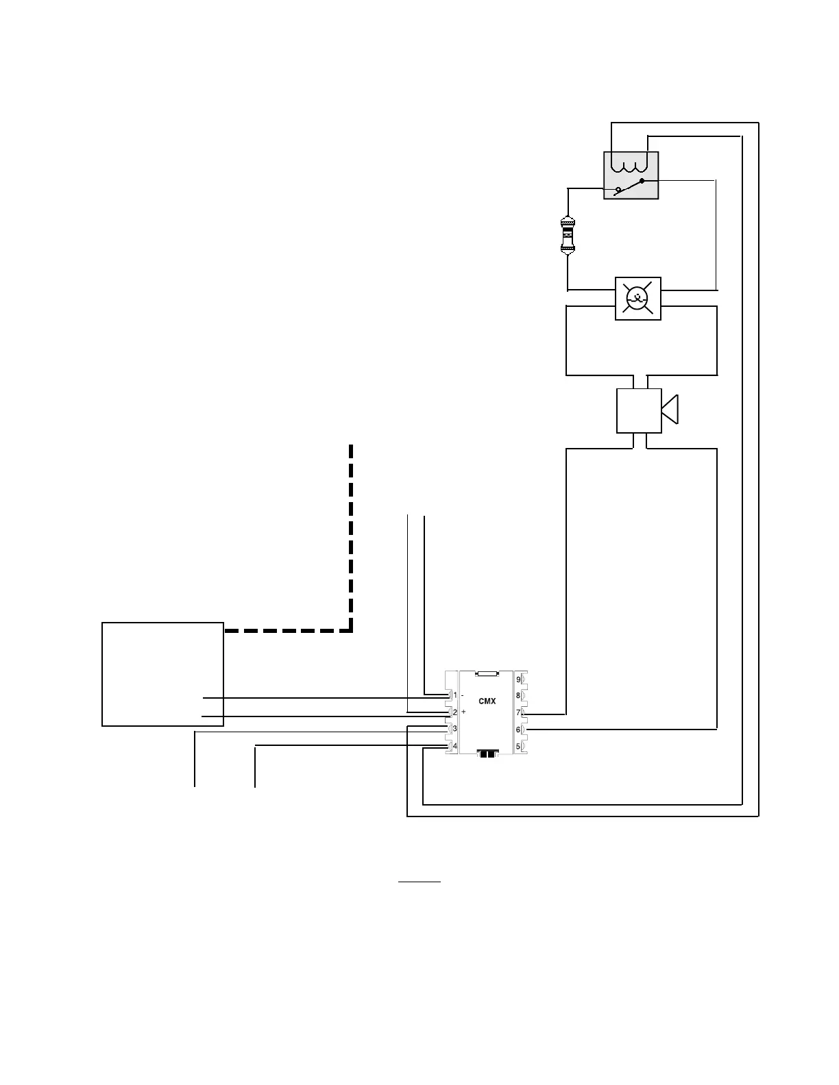
Figure 4.7-4 NFPA Style Y Notification Appliance Circuit
Supervised and Power-Limited
- +
To next device on
SLC Loop
47K ELR, 1/2-watt (A2143-00)
Red
Black
-
+
SLC LOOP Channel A
Supervised and power-limited
LIB Channel
Terminal 3 ( - )
Terminal 1 (+)
Shield Drain Wire
Alarm polarity shown!
Listed Power Supervision Relay
(Contacts shown in energized position)
Common +24 VDC
Notification Appliance Power
This power source must be power-limited.
(Refer to Figure 4-17)
Refer to the Device Compatibility
Document
- +
- +
_
_
+
+
NOTES
• To provide accurate supervision, the power circuit wires should be broken at terminals 3 and 4 of the CMX and
not looped under the terminal hold-down clamp. Any time a power circuit is T-tapped, each branch must end with
a listed power supervision relay.
• For connection of the notification appliances, refer to the manufacturer's installation instructions packaged with
each device.
• For additional ratings, refer to Appendix A.
*Contacts shown in energized position
*

Table of Contents

Other manuals for Notifier AFP1010

Related product manuals