EasyManua.ls Logo

Novatech Bitronics M87X Series - Page 156

Novatech Bitronics M87X Series
184 pages
Print Icon
To Next Page IconTo Next Page
To Next Page IconTo Next Page
To Previous Page IconTo Previous Page
To Previous Page IconTo Previous Page
Loading...
ML0021 August 15, 2018
140 Copyright 2018 Bitronics, LLC
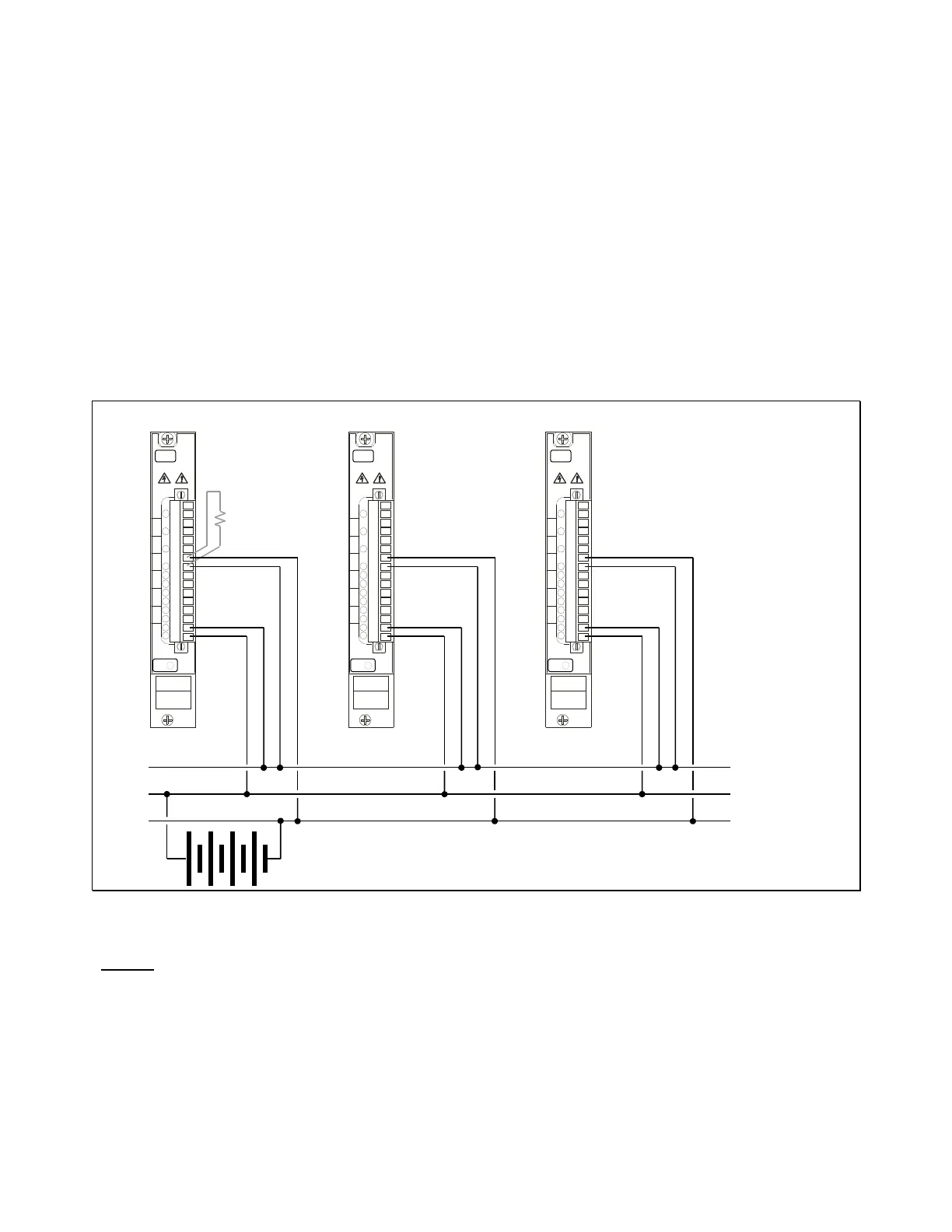
Example 1. Discrete Digital I/O:
Please refer to Figure A1 for wiring, Figure A2 through A4 for configuration, and Figure 11,
section 9.9 for the pin-out of the Digital I/O cards and internal resistor values that are not
shown in Figure A1.
Note: Standard Digital I/O cards (P30A and P31) incorporate an internal parallel current
path on all digital outputs which conducts through a resistance even when the output
contacts are open. This is normally used as a parallel digital input circuit but it makes the
standard card unsuitable for cross-triggering because it tends to pull-up the switched
conductor when contacts are open. To use cross-triggering as shown in this example,
be sure to specify optional P30AW (8-point) and P31W (16-point) Digital I/O cards
when ordering M87x models.
Figure A 1
Wiring:
Figure A1 illustrates one digital output (lower pair, pins 1 and 2 on a P30AW card) from
each of three M871 units wired in parallel. Closing the Output 1 contact on any M871 will
energize the switched conductor. The upper pair, pins 9 and 10, are digital inputs wired in
parallel between the switched and negative conductors. All three units will sense a status
change on Input 5 whenever the switched conductor is energized or de-energized. All
digital inputs on the M871 incorporate an internal current limiting resistor so no external
-P30
HS
IN
O
IN
O
IN
O
IN
O
IN
IN
IN
IN
-P30
HS
IN
O
IN
O
IN
O
IN
O
IN
IN
IN
IN
-P30
HS
IN
O
IN
O
IN
O
IN
O
IN
IN
IN
IN
+
-
Switched
(
+
)
P30 Digital I/O Cards
from three different
M871 Units
Unit Unit Unit
R
P
(
o
p
tional
)

Table of Contents

Related product manuals