EasyManua.ls Logo

NTI Trinity Ti 100 - Advanced Wiring Systems; Multiple 4 Wire Zone Valves

Default Icon
38 pages
Print Icon
To Next Page IconTo Next Page
To Next Page IconTo Next Page
To Previous Page IconTo Previous Page
To Previous Page IconTo Previous Page
Loading...
22
TCA
Blu e
%Ef.Air
Water
Call for Heat
Aux. Pump
Heating Pump
Burner On
Blue
White
Purple
Black
POWER SUPPLY
15 AMP FUSED
120/1/60
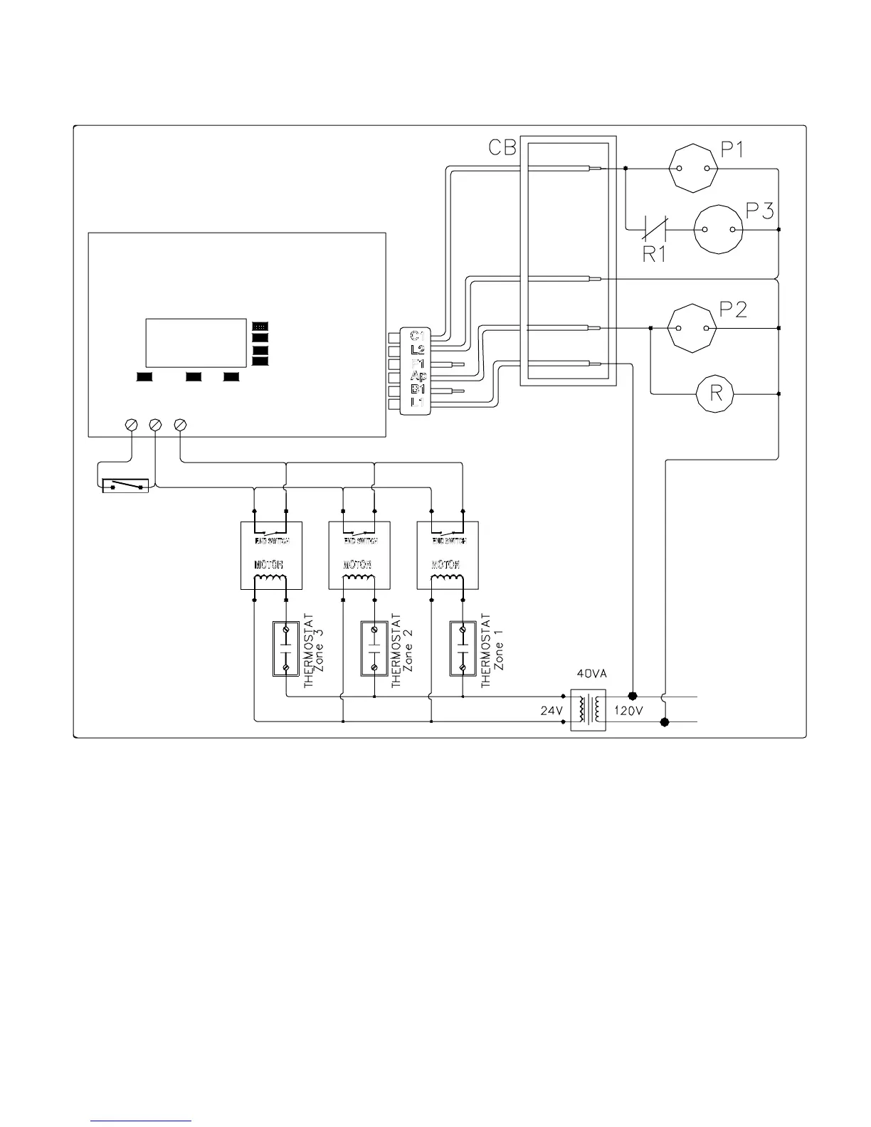
7.2 Advanced Wiring Systems
7.2.1 Multiple 4 wire Zone Valves
The basic multiple zoned system uses normally closed four (4) wire zone valves. This wiring system is used with the piping as described
in Section 6.2.1 “Multiple Zones using Zone Valves”.
Operation
Room thermostat closes circuit to zone valve motor, thus opening the valve. When the valve is opened, the end switch closes the circuit
between terminals T-C on the Sentry control. The Sentry 2100 provides power to the primary pump and secondary pump via (C
1
), once
these pumps are on, it turns on the burner.
Once the room thermostat is satisfied, it breaks power to the motor, which opens the end switch, and the T-C circuit. The Pumps and
burner turn off.
Legend
P1- Primary Pump P3 - Secondary pump
P2- Indirect pump, or CB - Trinity Control box
Combi Valve
*R – 120V Relay Coil *R1 - Relay Contact
* Only required with Combi boiler.

Related product manuals