EasyManua.ls Logo

NTI Trinity Ti 100 - Multiple Zones Pump Controller

Default Icon
38 pages
Print Icon
To Next Page IconTo Next Page
To Next Page IconTo Next Page
To Previous Page IconTo Previous Page
To Previous Page IconTo Previous Page
Loading...
24
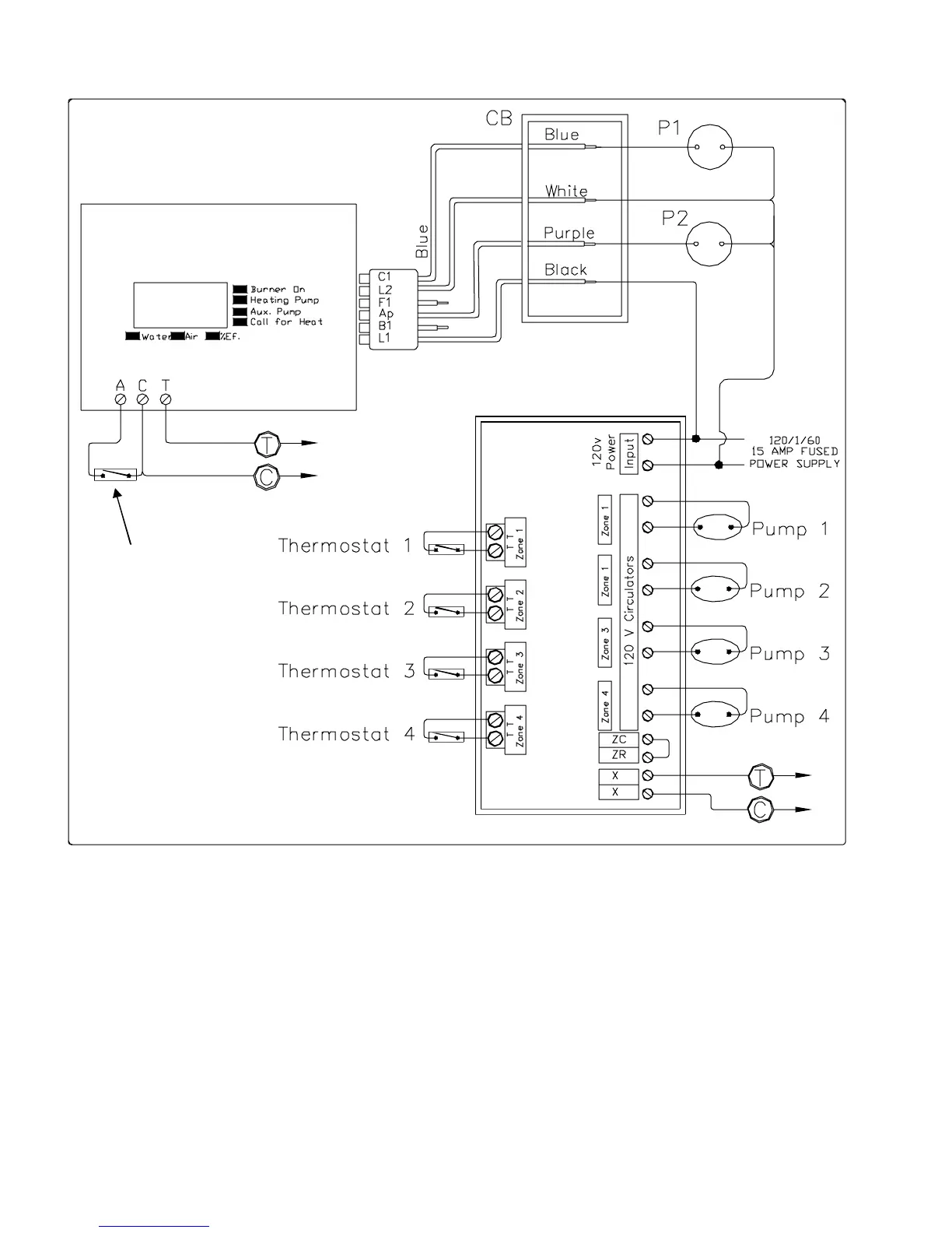
7.2.3 Multiple Zones Pump controller
(Models Taco SR504, Argo ARM 861 Series)
The basic multiple zoned system using circulating pumps. This wiring system is used with the piping as described in 6.2.2 Multiple Zones
using Pumps and 6.2.3 Multiple Zones with different temperatures.
Operation
Room thermostat closes circuit to TT terminals of the pump controller. The controller energizes the appropriate circulating pump and
closes the circuit between terminals T-C on the Sentry control. The Sentry 2100, provides power to the primary pump (C
1
), once the pump
is on, it turns on the burner.
Once the room thermostat is satisfied, it breaks power to the TT terminal of the pump controller, which opens the X –X contacts, which
opens the T-C circuit. The Pumps and burner turn off.
Indirect
thermostat,
or combi flow
switch
Legend
P1- Primary Pump CB- Trinity Control box
P2- Indirect pump, or
Combi Valve

Related product manuals