EasyManua.ls Logo

NTI TRX085 - Page 33

Default Icon
132 pages
Print Icon
To Next Page IconTo Next Page
To Next Page IconTo Next Page
To Previous Page IconTo Previous Page
To Previous Page IconTo Previous Page
Loading...
33
TRX Series II - Installation - Startup - Maintenance Instructions
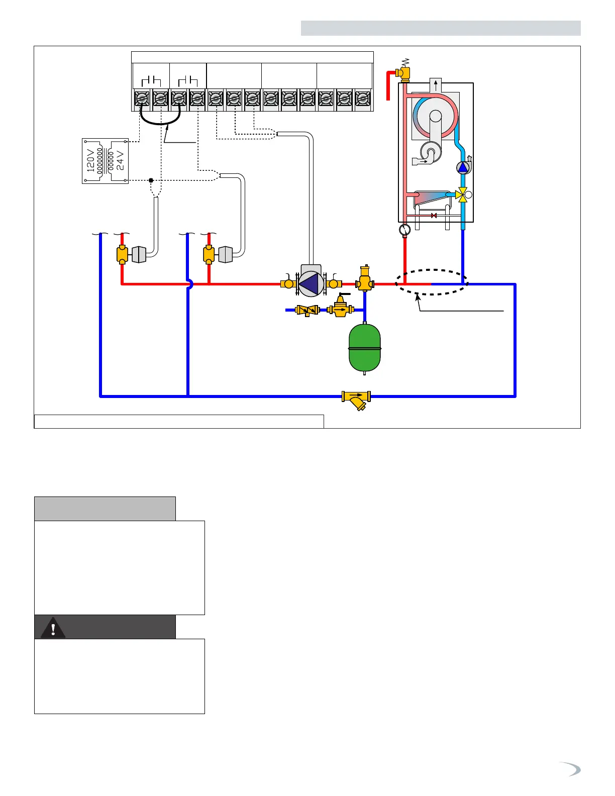
NOTE: In piping applications utilizing a single
zone, it is recommended that the installer
use flow / check valves with weighted seats
at or near the appliance to prevent gravity
circulation.
NOTES:
1. This drawing is meant to show
system piping concept only. Installer
is responsible for all equipment and
detailing required by local codes.
2. All closely spaced tees shall be within 4
pipe diameters center to center spacing.
3. A minimum of 6 pipe diameters of
straight pipe shall be installed upstream
and downstream of all closely spaced
tees.
4. The minimum pipe size of DHW piping
should be ¾” diameter and CH piping
should be 1” in diameter.
5. Circulators are shown with isolation
flanges. The alternative is standard
flanges with full port ball valves. Purge
valves can be used with circulator flanges
as an alternative.
6. Install a minimum of 12 diameters of
straight pipe upstream of all circulators.
7. VERY IMPORTANT – Minimum flow rates
outlined in this manual (2 gpm) must be
maintained through the heat exchanger
to minimize short cycling.
Part 4 - Water Piping
ZONE
#1
ZONE
#2
JUMPER
TRANSFORMER
M
CLOSELY SPACED TEES
MAKE-UP
WATER
ZONE 1 ZONE 2
CH PUMP
N LG
DHW PUMP
N LG
120VAC INPUT
N LG
LINE VOLTAGE JUNCTION BOX
8. In a valve-based system, each heating
zone has a zone valve which opens
when that zone calls for heat. Each zone
thermostat is wired to its corresponding
zone valve. Contacts in the zone valves
provide a signal to the boiler to operate
when there is a call for heat.
9. Unit is equipped with built-in primary
pump. This pump is sized to ensure
proper flow rate through the boiler heat
exchanger and related piping.
Figure 26 - TRX110C / TRX150C with Single Central Heating Circulator
The piping will not support the weight
of the circulators. Refer to the circulator
manufacturer’s instructions to properly
support the circulator. Failure to comply with
these instructions could result in property
damage, severe personal injury, or death.
NOTICE
WARNING
Figure illustrates the basic plumbing
requirements for a TRX110C / TRX150C
boiler installation utilizing Primary/
Secondary piping when the boiler circulator
will not provide adequate flow for the
system. Primary / Secondary is required to
provide adequate flow for the secondary
circuits.

Other manuals for NTI TRX085

Related product manuals