EasyManua.ls Logo

nvent SPECTRACOOL G52 - THERMOSTAT CONTROL WIRE DIAGRAMS

nvent SPECTRACOOL G52
40 pages
Print Icon
To Next Page IconTo Next Page
To Next Page IconTo Next Page
To Previous Page IconTo Previous Page
To Previous Page IconTo Previous Page
Loading...
© 2022 nVent
89209668
- 6 -
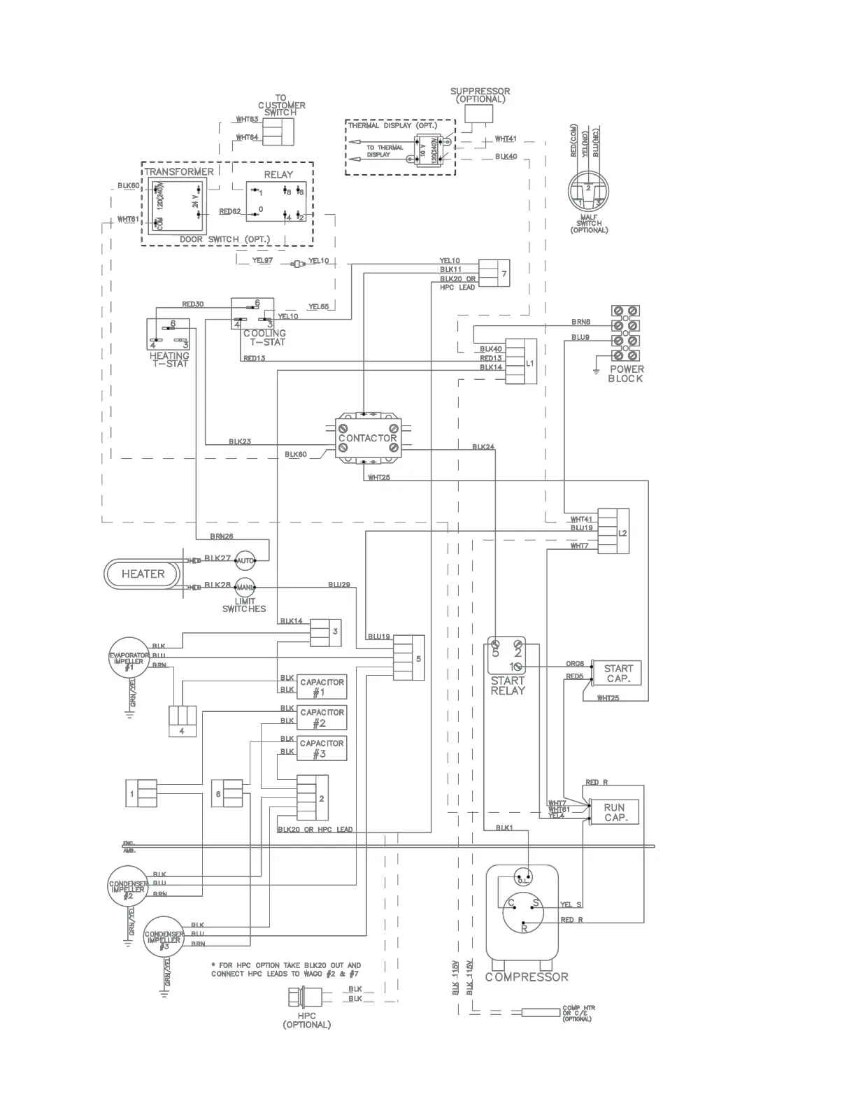
G521216GXXX GENERIC WIRE DIAGRAM (ACTUAL UNIT OPTIONS MAY VARY)
89081449

Table of Contents

Related product manuals