EasyManua.ls Logo

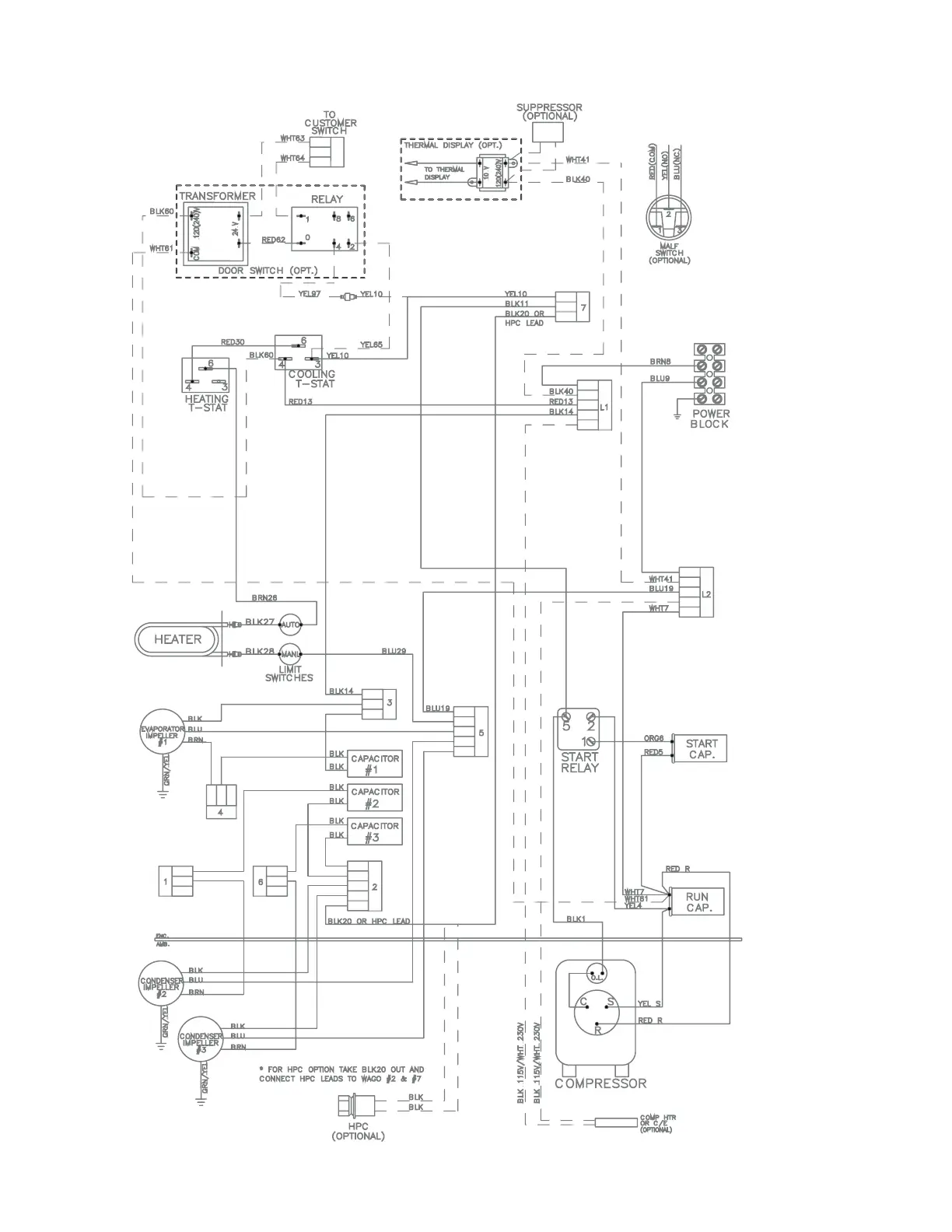
nvent SPECTRACOOL G52 - G520816 GXXX Generic Wire Diagram (Actual Unit Options May Vary)

nvent SPECTRACOOL G52
40 pages
Print Icon
To Next Page IconTo Next Page
To Next Page IconTo Next Page
To Previous Page IconTo Previous Page
To Previous Page IconTo Previous Page
Loading...
© 2022 nVent
89209668
- 8 -
G520816GXXX GENERIC WIRE DIAGRAM (ACTUAL UNIT OPTIONS MAY VARY)
89081442

Table of Contents

Related product manuals