EasyManua.ls Logo

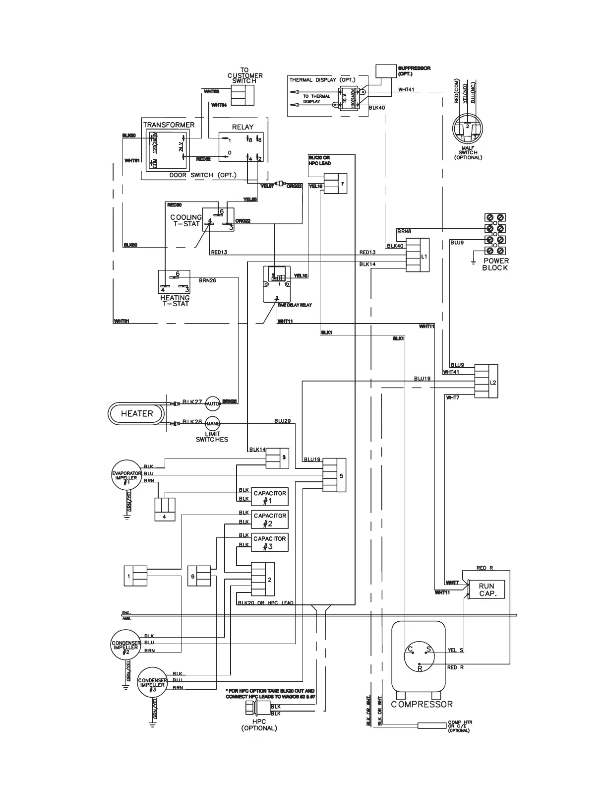
nvent SPECTRACOOL G52 - G52 8 K and 12 K 230 V Generic Wire Diagram (Actual Unit Options May Vary)

nvent SPECTRACOOL G52
40 pages
Print Icon
To Next Page IconTo Next Page
To Next Page IconTo Next Page
To Previous Page IconTo Previous Page
To Previous Page IconTo Previous Page
Loading...
© 2022 nVent
89209668
- 9 -
G52 8K AND 12K 230V GENERIC WIRE DIAGRAM (ACTUAL UNIT OPTIONS MAY VARY)

Table of Contents

Related product manuals