EasyManua.ls Logo

Observator OMC-160-3 - Dimensional Drawings and Dimensions

Observator OMC-160-3
25 pages
Print Icon
To Next Page IconTo Next Page
To Next Page IconTo Next Page
To Previous Page IconTo Previous Page
To Previous Page IconTo Previous Page
Loading...
OMC-160-3 Manual Page 24
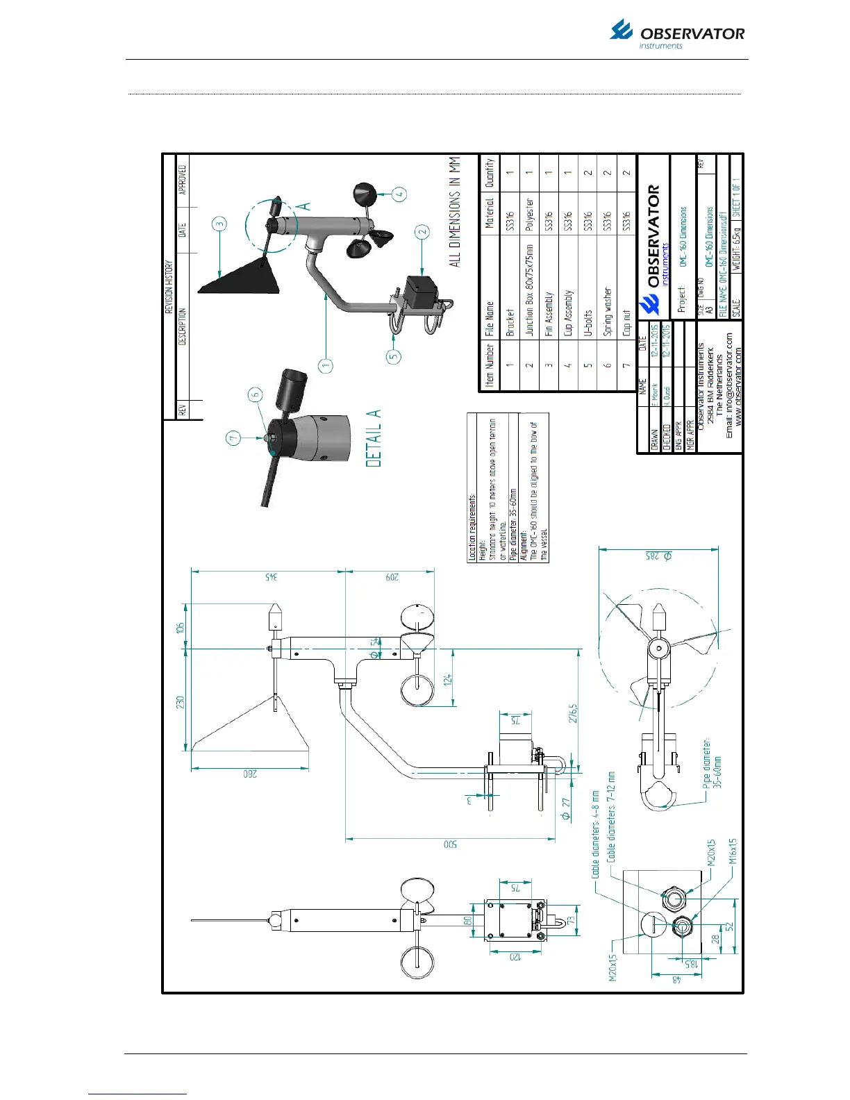
12 Dimensional Drawing