EasyManua.ls Logo

Odes Industry UTV170-10 - Electrical System Diagnostics; Charging System Diagnostics

Default Icon
73 pages
Print Icon
To Next Page IconTo Next Page
To Next Page IconTo Next Page
To Previous Page IconTo Previous Page
To Previous Page IconTo Previous Page
Loading...
11.ELECTRICAL SYSTEM
11-1
11. ELECTRICAL SYSTEM
CHARGING SYSTEM ································· 11-1
RESISTAMCE OF GENERATOR COIL ············ 11-1
NO- LOAD PERFORMANCE OF THE GENERATOR
····························································· 11-1
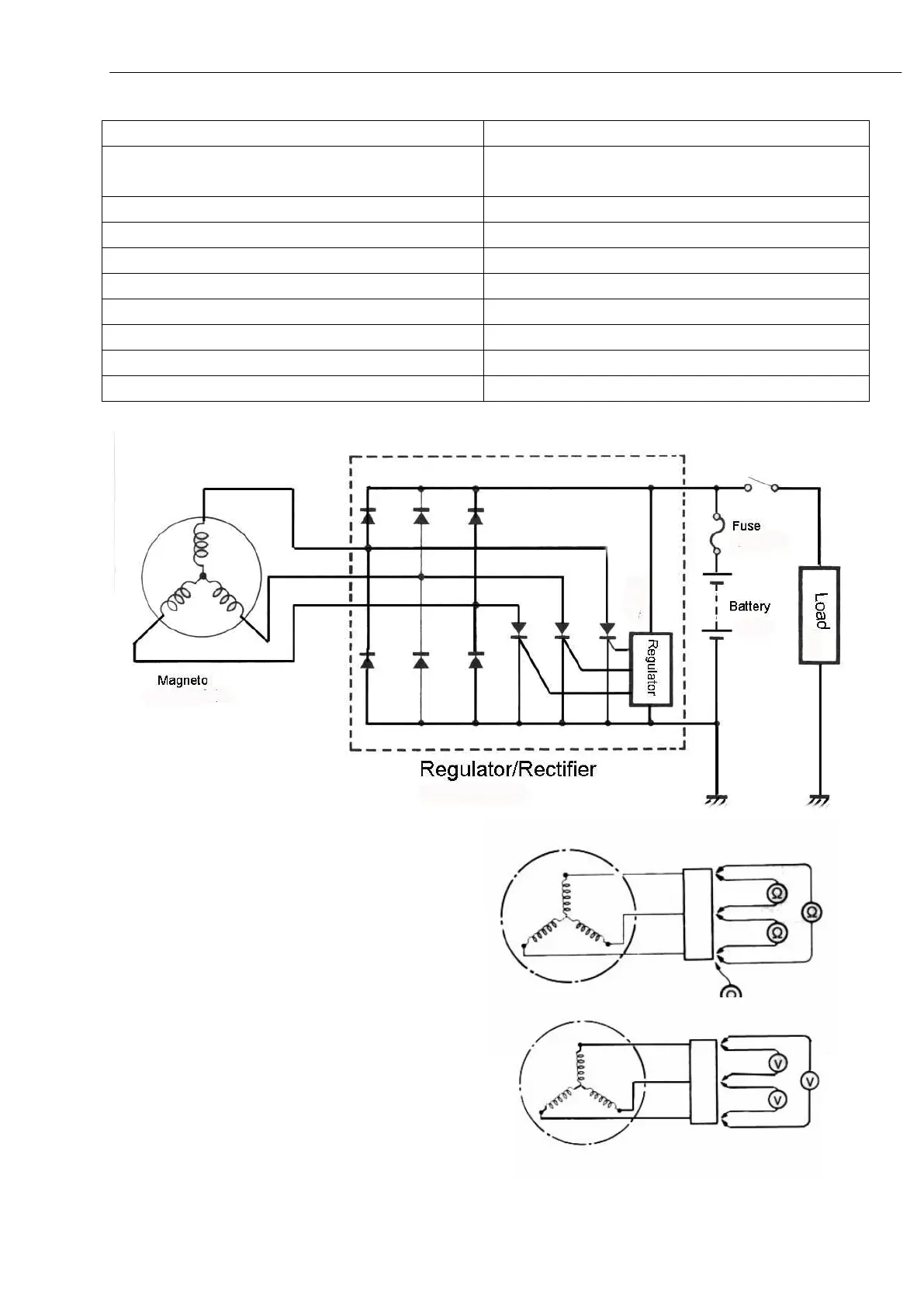
REGULATOR/RECTIFIER ··························· 11-2
STARTING SYSTEM ·································· 11-2
STARTER MOTOR ····································· 11-2
BRUSH BRUSH ········································ 11-3
RECTIFIER ·············································· 11-3
ARMATURE COIL ····································· 11-3
OIL SEAL ················································ 11-3
STARTER RELAY ······································ 11-3
AUXILIARY STARTER RELAY ····················· 11-4
EFL SYSTEM ··········································· 11-4
LGNITION SYSTEM ·································· 11-5
LGNITION COIL ······································· 11-5
INDICATOR LIGHT ··································· 11-7
BATTERY ················································ 11-7
RELAY AND FUSE ···································· 11-9
LAMPS (LED) ·········································· 11-9
SWITCHES ············································ 11-10
CHARGING SYSTEM
RESISTAMCE OF GENERATOR COIL
Measure the resistance between three wires;
If the resistance is not within the specified value,
replace the stator coil.
Check the generator core whether it is insulated.
Install multimeter 1×10Ω.
Resistance of generator coil: 0.9-1.5Ω (color: white)
Insulation resistance ∞Ω (white - grounding wire)
NO- LOAD PERFORMANCE OF THE GENERATOR
Start the engine with the speed at 5000r/min.
Measure AC voltage three wires inside the generator
with the multimeter.
If the voltage drops below a specified value, replace
the generator.
Put the multi meter at AC step.
No- load performance of the generator:
100V (AC) at 5000r/min