EasyManua.ls Logo

Oki Microline 3320 - Ribbon Cartridge Management

Oki Microline 3320
155 pages
Print Icon
To Next Page IconTo Next Page
To Next Page IconTo Next Page
To Previous Page IconTo Previous Page
To Previous Page IconTo Previous Page
Loading...
2 – 19
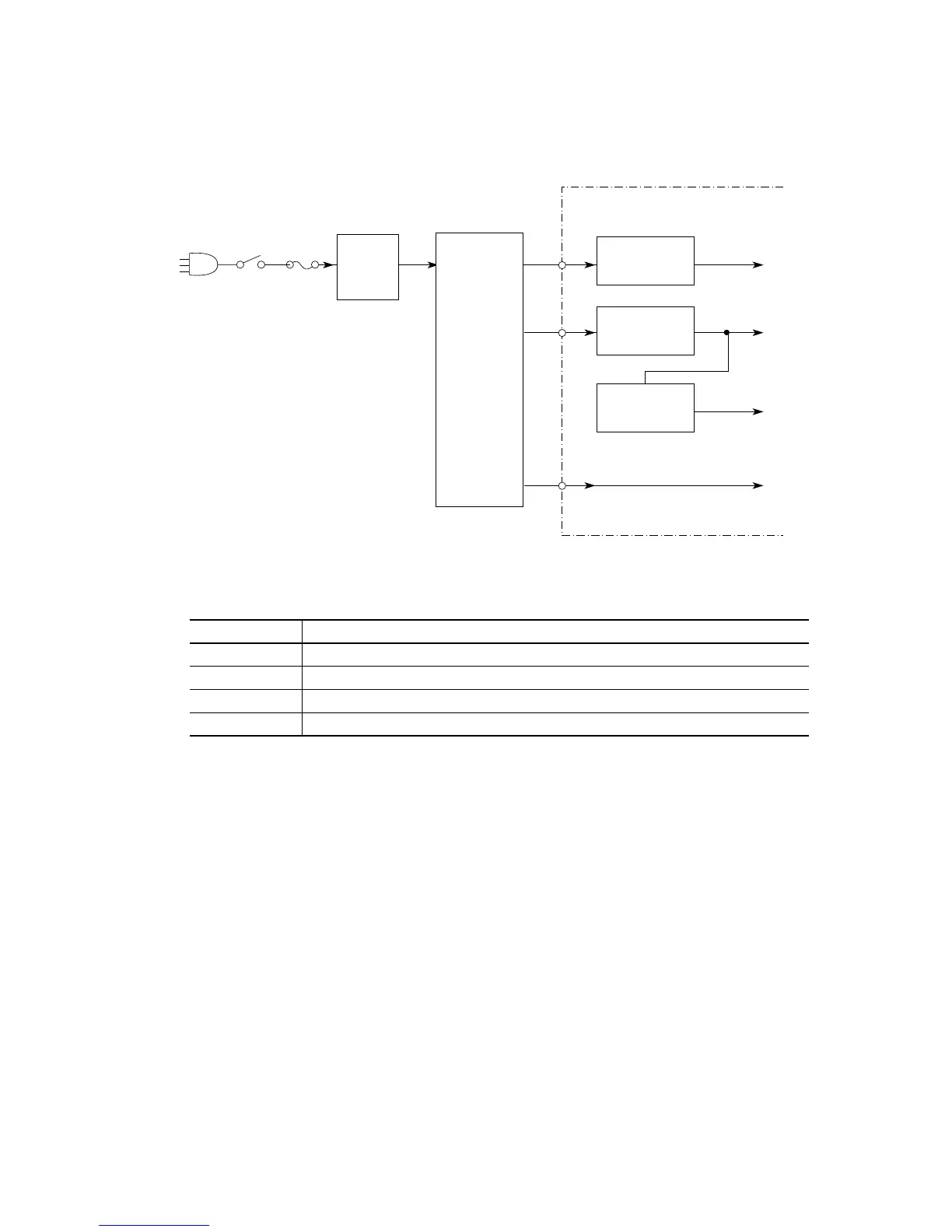
2.1.9 Power Supply Circuit
This power supply circuit supplies the +5VDC, +8VDC, +40VDC, 10VAC.
SW
Fuse
Noise
filter
circuit
Trans-
former
Control Board
Rectifier
Rectifier
Regulation
Circuit
+40V
+8V
+5V
AC10V
The uses of output voltages and signals are described below.
Voltage/signal Use
+5V Logic IC/LED drive voltage
+8V Serial interface line voltage and SP motor driver
+ 40V Printhead, LF motor drive voltage, SP motor drive voltage
AC 10V Option board

Table of Contents

Other manuals for Oki Microline 3320

Related product manuals