EasyManua.ls Logo

Okuma ICB1-S - MIV Unit: Introduction and Overview; System Configuration

Okuma ICB1-S
92 pages
Print Icon
To Next Page IconTo Next Page
To Next Page IconTo Next Page
To Previous Page IconTo Previous Page
To Previous Page IconTo Previous Page
Loading...
4742-E P-1
SECTION 1 INVERTER UNIT (MIV UNIT)
SECTION 1 INVERTER UNIT (MIV UNIT)
Eeospcsa1001
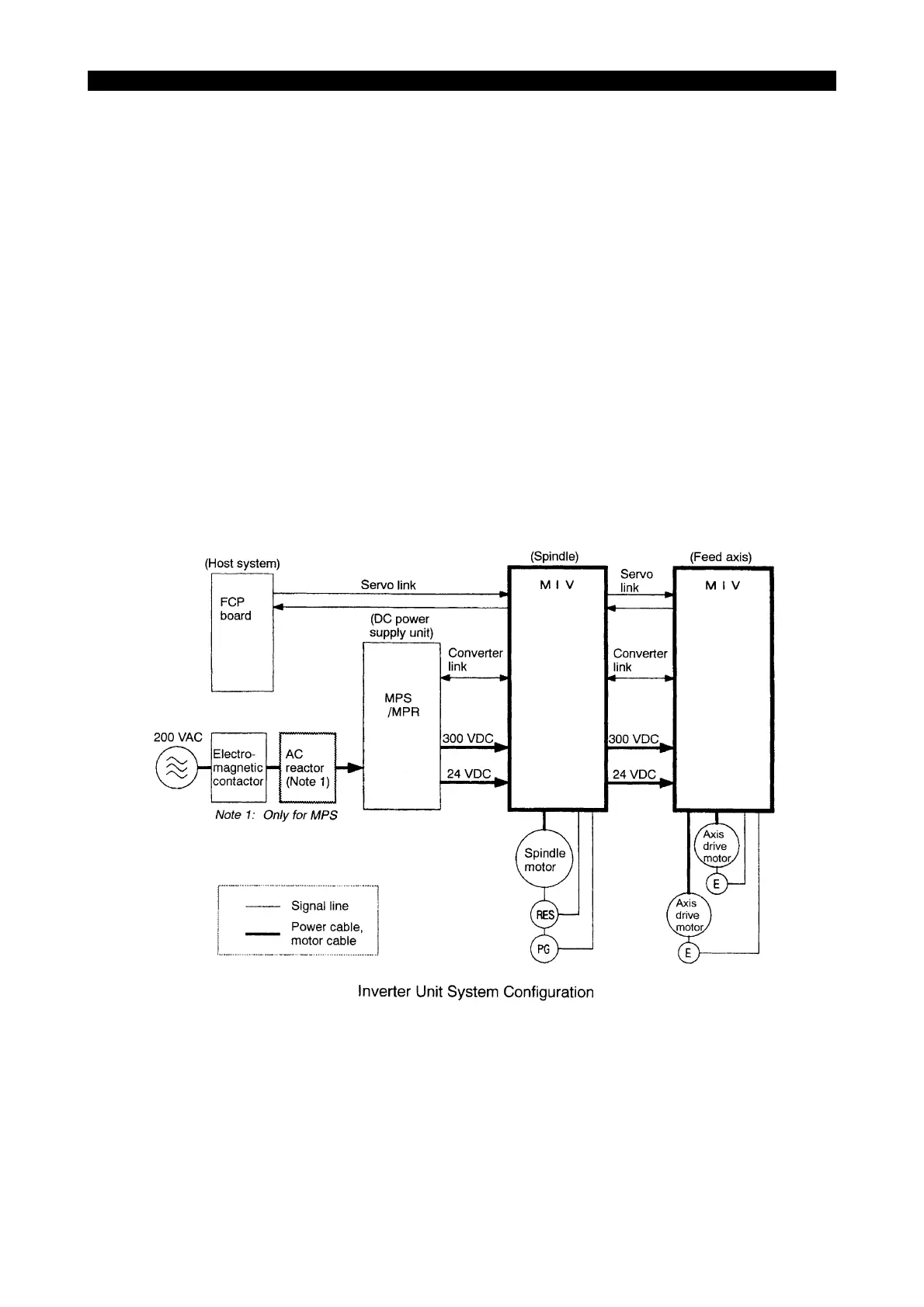
Okuma motion control system (MCS) consists of an inverter unit and a DC power supply unit.
This section describes the maintenance and inspection methods for the inverter unit (to be referred
to as MIV unit, hereafter).
1. System Configuration
Eeospcsa1002
MIV unit is an inverter unit that drives spindle motors and axis drive motors. Connection of MIV unit
with peripheral is shown below.
A DC power supply is connected to MIV unit to supply 300 VDC and 24 VDC (control power).
MIV unit communicates with peripherals through the servo link, the encoder link, and the con-
verter link.
MIV unit has a built-in control board specially used for motor control to control a spindle motor
and an axis drive motor.
Two types of MIV unit are provided; one-axis specification which controls one motor and two-
axis specification which controls two motors.
A DC power supply unit can be connected to more than one MIV unit.
EIOSPCSA1001R01
Artisan Technology Group - Quality Instrumentation ... Guaranteed | (888) 88-SOURCE | www.artisantg.com

Table of Contents

Related product manuals