EasyManua.ls Logo

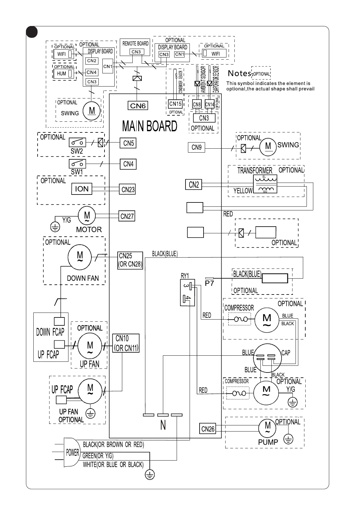
Olimpia splendid DOLCECLIMA Compact M - Internal Wiring Diagram

Olimpia splendid DOLCECLIMA Compact M
Print Icon
To Next Page IconTo Next Page
To Next Page IconTo Next Page
To Previous Page IconTo Previous Page
To Previous Page IconTo Previous Page
Loading...
16020600001914
P3(or P1 or P2)
P2(or P1 or P3)
P1(or P2 or P3)
CN1
UV
CN13
4-WAY VALVE
Y/G
Y/G
24

Table of Contents

Related product manuals