EasyManua.ls Logo

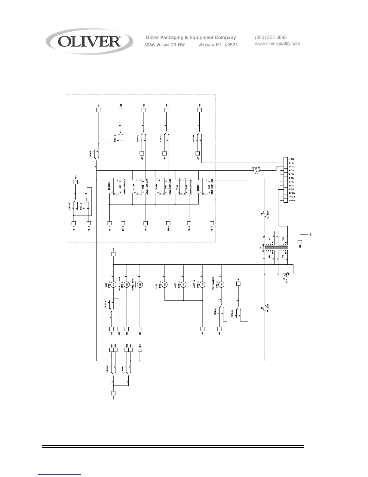
Oliver NC - Interface Board Schematics

Oliver NC
49 pages
Print Icon
To Next Page IconTo Next Page
To Next Page IconTo Next Page
To Previous Page IconTo Previous Page
To Previous Page IconTo Previous Page
Loading...
690-NC2
0690S20056 15-3
INTERFACE BOARD
SCHEMATICS