EasyManua.ls Logo

Olympus OEP-3 - Page 88

Olympus OEP-3
176 pages
Print Icon
To Next Page IconTo Next Page
To Next Page IconTo Next Page
To Previous Page IconTo Previous Page
To Previous Page IconTo Previous Page
Loading...
2-8
OEP-3 V1 (UC)
BVTT
3x6
BVTT 3x6
BVTT 3x6
Flexible flat
cable (24-pin)
SY-282
board
Harness
Flexible flat
cable (14-pin)
Mechanical
block
Connector (CN306)
PRT-13 board
Connector
(CN501)
Connector
(CN203)
Connector
(CN206)
Connector
(CN302)
Harness
Connector
(CN301)
SE-539
board
AN-15 board
Connector
(CN101)
SE-539
board
Harness
Flexible flat
cable (30-pin)
Harness
Harness
Connector
(CN105)
Connector
(CN102)
Connector
(CN302)
Connector
(CN604)
Connector
(CN601)
Connector
(CN605)
Connector
(CN101)
Connector
(CN106)
Connector
(CN103)
Harness
Mechanical block
Clamper
BVTT
3x6
BVTT
3x6
BVTT 3x6
Connector
(CN602)
Connector
(CN150)
Connector
(CN610)
Connector
(CN603)
Connector
(CN104)
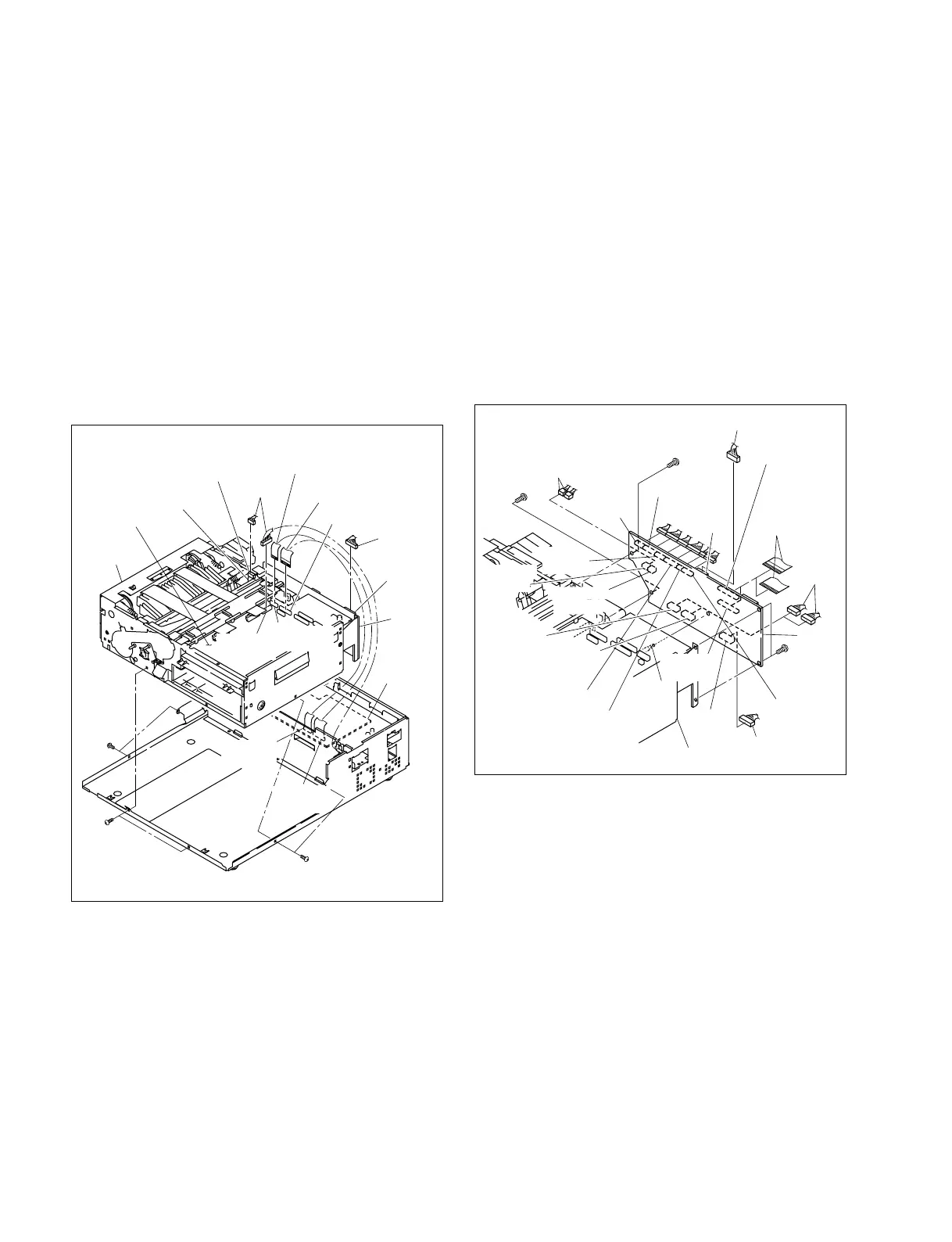
2-3-8. Replacement of Mechanical Block
1. Remove the top cover. (Refer to Section 2-2-1.)
2. Remove the front panel assembly.
(Refer to Section 2-2-2.)
3. Disconnect the two flexible flat cables from the
connectors (CN306 and CN501) on the PRT-13 board
and one harness from the connector (CN302).
4. Disconnect the harness (CN301) from the connector
on the SE-539 board.
5. Disconnect the harness (CN101) from the connector
on the AN-15 board.
6. Remove the six screws, then remove the mechanical
block.
7. Install the mechanical block in the reverse order of
steps 1 to 6.
2-3-9. Replacement of SE-539 Board
1. Remove the top cover. (Refer to Section 2-2-1.)
2. Remove the front panel assembly.
(Refer to Section 2-2-2.)
3. Remove the mechanical block.
(Refer to Section 2-3-8.)
4. Disconnect the 12 harnesses from the connectors
(CN101 to CN106, CN302, and CN601 to CN605) on
the SE-539 board and the two flexible flat cables from
the connectors (CN150 and CN610).
5. Remove the four screws and one clamper, then remove
the SE-539 board.
6. Install a new SE-539 board in the reverse order of
steps 1 to 5.

Related product manuals