EasyManua.ls Logo

Olympus OTV-SI - Page 150

Olympus OTV-SI
174 pages
Print Icon
To Next Page IconTo Next Page
To Next Page IconTo Next Page
To Previous Page IconTo Previous Page
To Previous Page IconTo Previous Page
Loading...
144
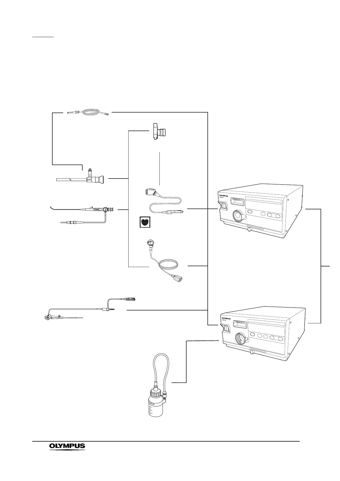
Appendix
VIDEO SYSTEM OTV-SI
System chart
Light guide cable
Video adapter
Rigid endoscope
(for otology, urology,
anethesiology and gynecology)
Fiberscope
(for rhinolaryngology, urology,
anethesiology and gynecology)
Camera head
(OTV-S7H-N/1N/1D)
Video system (OTV-SI)
Type A
Type B
Camera head
(OTV-S7H-1D-F08E/L08E
/D-L08E
*1
)
Flexible videoscope
(ENF-V/V2/VQ, PEF-V (type B only),
CYF-V/VA, CYF-V2/VA2, LF-V, HYF-V)
Water container (MD-431, type B only)
VISY218

Table of Contents

Related product manuals