EasyManua.ls Logo

Omron NS8-TV00 V2 Series - A-4-6 Block Diagram

Omron NS8-TV00 V2 Series
286 pages
Print Icon
To Next Page IconTo Next Page
To Next Page IconTo Next Page
To Previous Page IconTo Previous Page
To Previous Page IconTo Previous Page
Loading...
Appendix 4 Using NT-AL001 Converters
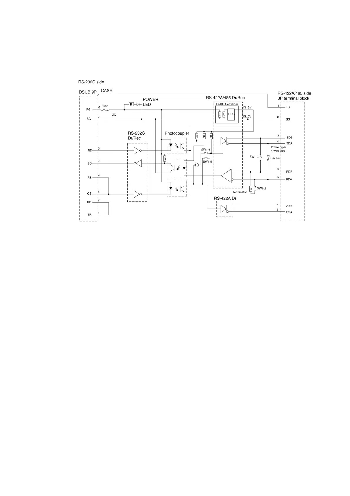
A-4-6 Block Diagram
A diagram showing the internal blocks of the converter unit is shown below. Refer to this
diagram when making cables yourself, or when connecting devices with special interfaces.
A-30

Table of Contents

Related product manuals