EasyManua.ls Logo

Omron R88D-1SN15F-ECT - Page 148

Omron R88D-1SN15F-ECT
974 pages
Print Icon
To Next Page IconTo Next Page
To Next Page IconTo Next Page
To Previous Page IconTo Previous Page
To Previous Page IconTo Previous Page
Loading...
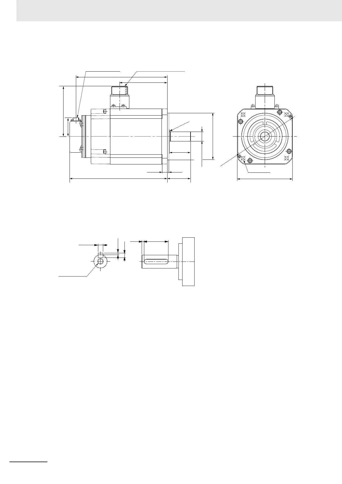
2 Models and External Dimensions
2 - 60
AC Servomotors/Servo Drives 1S-series with Built-in EtherCAT® Communications User’s Manual (I586)
3 kW (with Brake)
R88M-1L3K030C-B(O/S2/OS2)
Note The standard shaft type is a straight shaft. Models with a key and tap are indicated with “S2” at the end of
the model number.
Models with an oil seal are indicated with “O” at the end of the model number.
Shaft-end with key and tap
215±2
119±2
45±2
112±1
230±3
22
0
-0.013 dia.
110
0
-0.035 dia.
55±1
50±0.8
145±0.2 dia.
130×130±2
Encoder connector Motor and brake connector
4-9±0.5 dia.
4±0.4
12±0.5
R1.5 max
7
3
3-
0
42
Key and tap cross section
M5(tap)
12(tap depth)
8-
0.036
0
0.4

Table of Contents

Related product manuals