EasyManua.ls Logo

Omron R88D-1SN15F-ECT - Page 198

Omron R88D-1SN15F-ECT
974 pages
Print Icon
To Next Page IconTo Next Page
To Next Page IconTo Next Page
To Previous Page IconTo Previous Page
To Previous Page IconTo Previous Page
Loading...
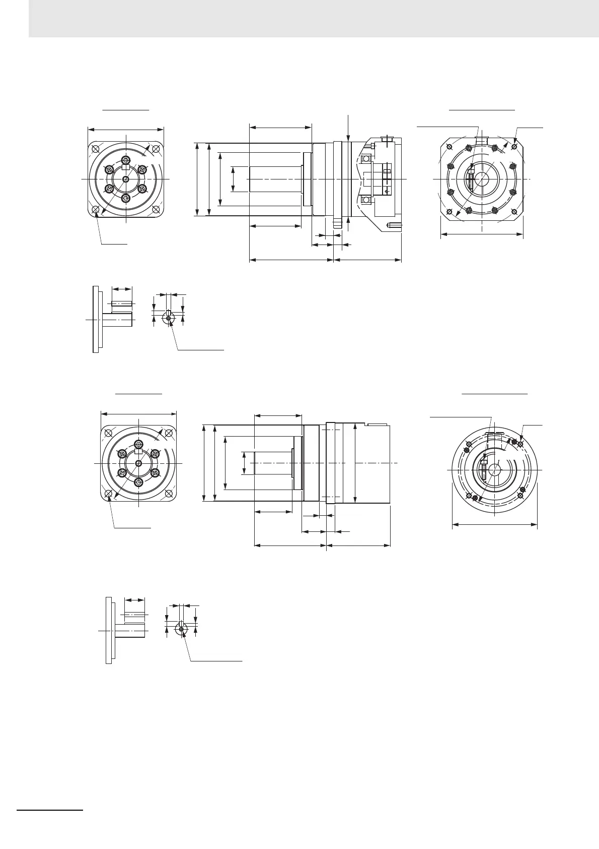
2 Models and External Dimensions
2 - 110
AC Servomotors/Servo Drives 1S-series with Built-in EtherCAT® Communications User’s Manual (I586)
Outline Drawing 1
Outline Drawing 2
C1×C1
Sh7 dia.
D5 dia.
D4 dia.
D3h7 dia.
E
T
F1
F2
LR
G
LM
C2×C2
QK
b
h
t1
4-Z1-dia.
D2 dia.
D1 dia.
4-Z2
Flange side
Servomotor side
D6 dia.
Set bolt (AT)
Key and tap dimensions
M (Depth L)
C1×C1
C2 dia.
QK
b
h
t1
4-Z1-dia.
D1 dia.
D2 dia.
4-Z2
Flange side
Servomotor side
E
T
LR LM
F2 G
F1
D3h7 dia.
*3
D4 dia.
D5 dia.
Sh7 dia.
D6 dia.
Set bolt (AT)
Key and tap dimensions
M (Depth L)
*3. The tolerance is “h8” for R88G-HPG50.

Table of Contents

Related product manuals