EasyManua.ls Logo

Omron R88D-1SN15F-ECT

Omron R88D-1SN15F-ECT
974 pages
To Next Page IconTo Next Page
To Next Page IconTo Next Page
To Previous Page IconTo Previous Page
To Previous Page IconTo Previous Page
Loading...
4 Configuration and Wiring
4 - 52
AC Servomotors/Servo Drives 1S-series with Built-in EtherCAT® Communications User’s Manual (I586)
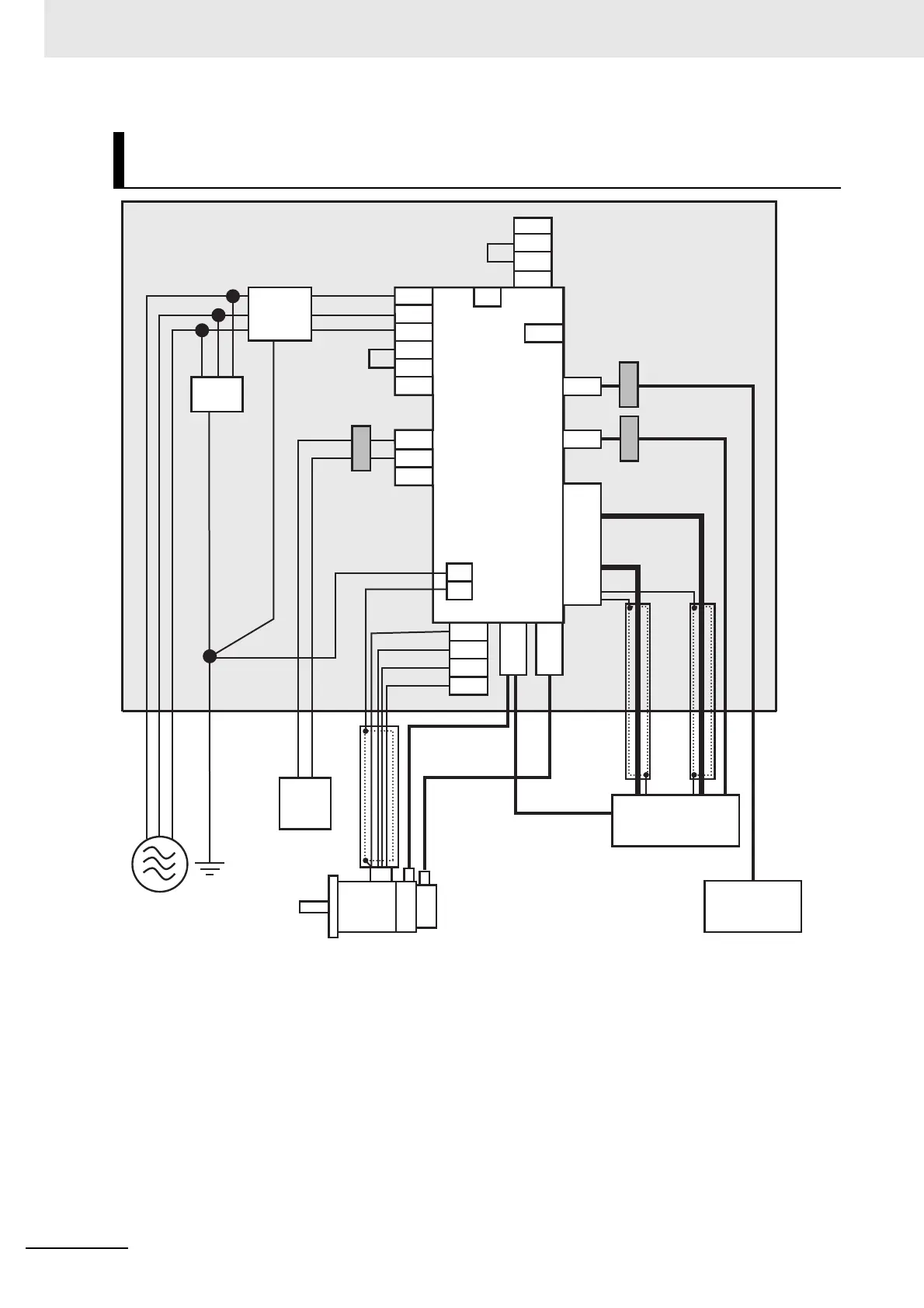
Note For single-phase inputs, connect between any two phases out of the following: L1, L2, and L3.
Provide single-point grounding of the ground plate for unit frame grounding as shown in the above
diagram.
Use a protective earth wire with a minimum thickness of 2.5 mm
2
and arrange the wiring so that the
protective earth wire is as short as possible.
Install a surge absorber and noise filter near the main circuit connector A of Servo Drive.
Separate I/O wires from each other for the wiring.
R88D-1SN15H-ECT/ -1SN20H-ECT/ -1SN30H-ECT/ -1SN06F-ECT/
-1SN10F-ECT/ -1SN15F-ECT/ -1SN20F-ECT/ -1SN30F-ECT
-
(1)
NF
FG
SD
CN7
FC1
FC1
CN1
CN2
ECAT IN
ECAT OUT
CN10
CN11
CN12
FC1
PE
24
VDC
SM
FG
CNC
U
FG
V
W
SG
(2)
(4)
(9)
(7)
(6)
(5)
(10)
+24V
0V
L1
L2
L3
B3
B2
B1
CNA
CNB
N3
N2
N1
P
CND
Ground plate
-
I/O slave
Controller
3-phase 200 VAC
3-phase 400 VAC

Table of Contents

Related product manuals