EasyManua.ls Logo

Omron R88D-1SN15F-ECT - Page 75

Omron R88D-1SN15F-ECT
974 pages
Print Icon
To Next Page IconTo Next Page
To Next Page IconTo Next Page
To Previous Page IconTo Previous Page
To Previous Page IconTo Previous Page
Loading...
1 - 27
1 Features and System Configuration
AC Servomotors/Servo Drives 1S-series with Built-in EtherCAT® Communications User’s Manual (I586)
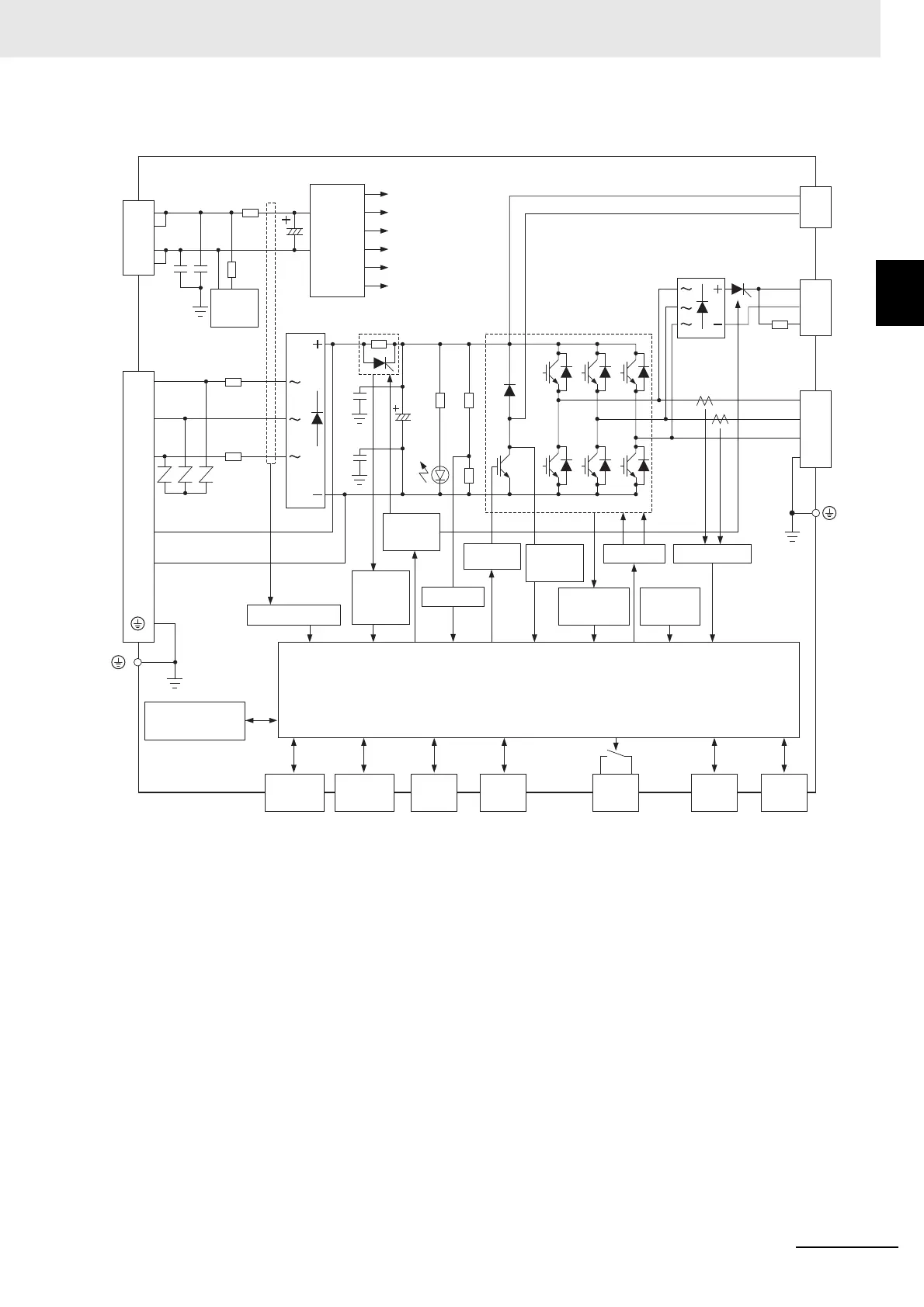
1-4 System Block Diagram
1
R88D-1SN150H-ECT
L1
DB1
DB2
DB3
U
V
W
CN1 CN1CN2 CN12 CN7
L2
L3
P
+24V
+24V
DC/DC
0V
0V
CND
CNA
N3
CNE
CNC
FG
USB
ECAT IN
CN10
ECAT OUT
CN11
B1
B2
CNB
FUSE
FUSE
DC
FAN
Display area
rotary switch
MPU, FPGA
Control circuit
power
supply
EtherCAT
communications
connector
EtherCAT
communications
connector
Control
interface
Encoder Brake
interlock
Safety
Thyristor
drive
Gate drive
Voltage detection
Input voltage monitoring
Regeneration
error
detection
Inrush
prevention
error
detection
Overcurrent
detection
(IPM error)
HS temperature
monitoring
Current detection
Regeneration
control

Table of Contents

Related product manuals