EasyManua.ls Logo

Omron R88D-1SN30F-ECT - Peripheral Equipment Connection Examples

Omron R88D-1SN30F-ECT
974 pages
Print Icon
To Next Page IconTo Next Page
To Next Page IconTo Next Page
To Previous Page IconTo Previous Page
To Previous Page IconTo Previous Page
Loading...
4 Configuration and Wiring
4 - 48
AC Servomotors/Servo Drives 1S-series with Built-in EtherCAT® Communications User’s Manual (I586)
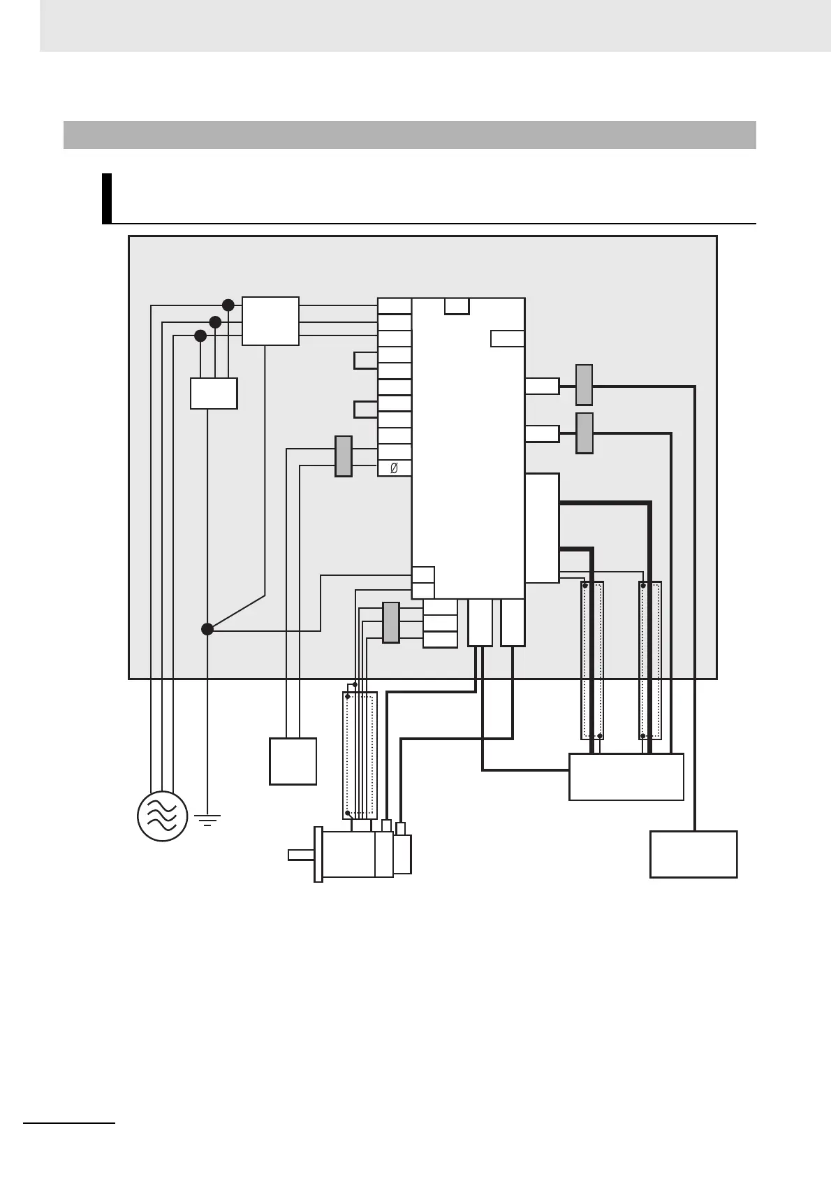
Note For single-phase inputs, connect between any two phases out of the following: L1, L2, and L3.
Provide single-point grounding of the ground plate for unit frame grounding as shown in the above
diagram.
Use a protective earth wire with a minimum thickness of 2.5 mm
2
and arrange the wiring so that the
protective earth wire is as short as possible.
Install a surge absorber and noise filter near the main circuit connector A of Servo Drive.
Separate I/O wires from each other for the wiring.
4-3-1 Peripheral Equipment Connection Examples
R88D-1SN01L-ECT/-1SN02L-ECT/-1SN04L-ECT/-1SN01H-ECT
/-1SN02H-ECT/-1SN04H-ECT/-1SN08H-ECT
(1)
NF
L1
CNA
FG
SD
CN7
FC1
FC1
CN1
CN2
ECAT IN
ECAT OUT
CN10
CN11
CN12
L2
L3
B3
B2
P/B1
N1
N2
N3
24V
FC1
PE
24
VDC
SM
FG
FC2
CNC
U
V
W
SG
(2)
(4)
(9)
(7)
(6)
(5)
(10)
Controller
Ground plate
I/O slave
NF
SM
Single-phase 100 VAC
3-phase 200 VAC
SG

Table of Contents

Related product manuals