EasyManua.ls Logo

Omron R88D-1SN30F-ECT - Profile Velocity Mode

Omron R88D-1SN30F-ECT
974 pages
Print Icon
To Next Page IconTo Next Page
To Next Page IconTo Next Page
To Previous Page IconTo Previous Page
To Previous Page IconTo Previous Page
Loading...
6 - 21
6 Basic Control Functions
AC Servomotors/Servo Drives 1S-series with Built-in EtherCAT® Communications User’s Manual (I586)
6-7 Profile Velocity Mode
6
6-7 Profile Velocity Mode
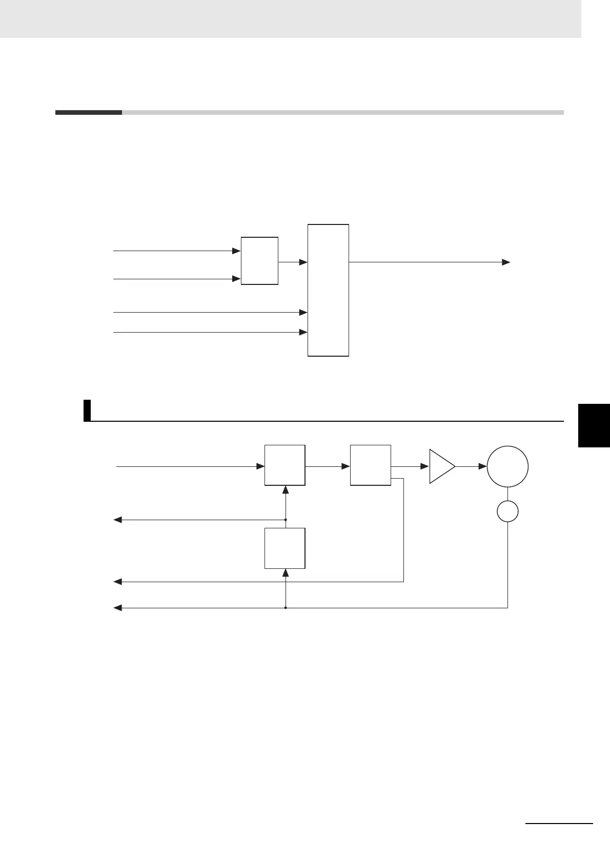
In this mode of operation, the controller uses the path generation function (an operation profile calcula-
tion function) inside the 1S-series Servo Drive to control the velocity. It executes path generation based
on the target velocity, profile acceleration, profile deceleration, and other information.
The Profile velocity mode can be used when the communications period is 250 μs or more. If the com-
munications period is less than 250 μs, a Command Error (Error No. 91.01) occurs.
The following diagram shows the configuration of the path generation function.
To use these objects, map them in the variable PDO mapping as appropriate.
The following diagram shows the configuration of the Profile velocity mode.
Profile Velocity Mode Configuration
Target velocity (60FF hex)
Max profile velocity (607F hex)
Velocity demand value (606B hex)
Profile acceleration (6083 hex)
Profile deceleration (6084 hex)
Limit
function
Path
generation
function
Velocity demand value (606B hex)
M
Velocity actual value (606C hex)
Torque actual value (6077 hex)
Position actual value (6064 hex)
E
Velocity
control
Tor que
control
Velocity
detection

Table of Contents

Related product manuals