EasyManua.ls Logo

Omron S82K-00305 - Operation; Block Diagrams

Omron S82K-00305
21 pages
Print Icon
To Next Page IconTo Next Page
To Next Page IconTo Next Page
To Previous Page IconTo Previous Page
To Previous Page IconTo Previous Page
Loading...
New S82K
New S82K
14
Operation
Undervoltage Alarm Indicator and Output Function
(All Models Except for S82K-24024/P24024)
If the output voltage at the output terminal drops to 75% to 90% of the rated voltage, the red indicator of the S82K (DC LOW indicator) will be lit. In
the case of the S82K-
j
09024/
j
10024/24024T, a voltage drop alarm will be output via the relay available in the models (DC LOW output).
Note:
This function detects the voltage at the output terminal of the Power Supply . To check the precise output voltage, measure the voltage
at the terminal of the load.
Indicator
Voltage Operation of
j
09024/
j
10024/
24024T’s output (DC LOW output)
(see note 2)
Green: DC ON
Red: DC LOW
If the voltage at the output terminal is more than 82%
of the rated voltage and operation is normal, the
green indicator will be lit and the red indicator will not
be lit.
Green: DC ON
Red: DC LOW
(see note 1)
If the voltage at the output terminal drops to below
82% of the rated voltage, the red indicator will be lit.
(See note 3.)
Green: DC ON
Red: DC LOW
If the voltage at the output terminal approaches 0 V,
both the green and red indicators will not be lit.
Note:
1. The more the voltage at the output terminal drops, the darker both the green and red indicators will be.
2. The relay contacts have a capacity of 0.1 A at 24 VDC.
3. The red indicator will actually first light at a voltage between 75% and 90% of the rated voltage.
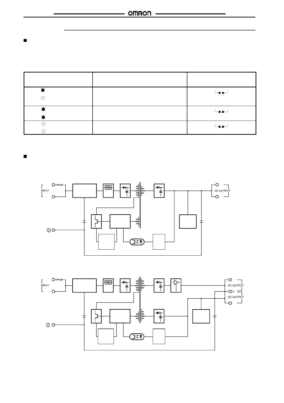
Block Diagrams
S82K-003
jj
(3 W)
S82K-007
jj
(7.5 W, Single Output)
Fuse (1 A)
Noise filter
Inrush current
protection circuit
Rectifier
Drive c ontrol
circuit
Photocoupler
AC (L)
AC (N)
Rectifier
-- V
+V
Undervoltage
alarm
indicator
Overload
alarm
circuit
Detector
S82K-007
jj
(7.5 W, Dual Outputs)
Fuse (1 A)
Noise filter
Inrush current
protection circuit
Rectifier
Drive c ontrol
circuit
Photocoupler
AC (L)
AC (N)
Rectifier
-- V
+V
Rectifier
Undervoltage
alarm
indicator
3-terminal
REG
Overload
alarm
circuit
Detector

Related product manuals